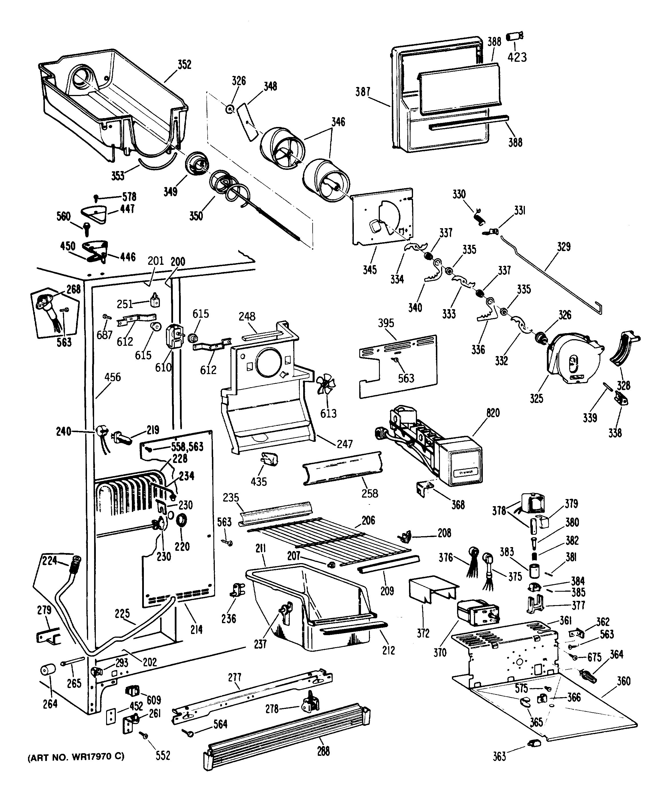
| 200 | GEN WR40X1634 |
| 201 | GEN WR40X1638 |
| 202 | GEN WR40X1637 |
| 206 | WR71X1936 GE Freezer Wire Shelf |
| 207 | GEN WR02X4676 |
| 208 | GEN WR02X4674 |
| 209 | GEN WR38X1817 |
| 211 | GEN WR21X0184 |
| 212 | GEN WR17X3006 |
| 214 | GEN WR14X0274 |
| 214 | GEN WR17X2811 |
| 219 | GEN WR02X4421 |
| 220 | GEN WR02X7926 |
| 224 | GEN WR02X4967 |
| 225 | GEN WR02X4838 |
| 225 | GEN WR02X8293 |
| 225 | GEN WR01X5042 |
| 228 | GEN WR85X0201 |
| 228 | GEN WR02X4982 |
| 228 | GEN WR02X4983 |
| 230 | GEN WR02X8487 |
| 230 | GEN WR51X0258 |
| 234 | GEN WR02X4546 |
| 235 | GEN WR38X1815 |
| 236 | GEN WR02X4548 |
| 237 | GEN WR02X7036 |
| 240 | WR50X55 GE Refrigerator Defrost Thermostat 55 Degree with Clip |
| 247 | GEN WR17X2968 |
| 247 | GEN WR02X4845 |
| 248 | GEN WR14X0272 |
| 251 | GEN WR02X2880 |
| 258 | GEN WR17X1424 |
| 261 | WR13X10020 GE Refrigerator Door Hinge Assembly with Cam |
| 264 | WR2X3594 GE Refrigerator Wheel |
| 265 | GEN WR02X3595 |
| 265 | GEN WR02X3598 |
| 265 | GEN WR02X4742 |
| 268 | GEN WR23X0312 |
| 277 | GEN WR17X2113 |
| 278 | WHEEL ASM FRT |
| 279 | GEN WR17X2743 |
| 288 | GEN WR74X0199 |
| 293 | GEN WR02X7080 |
| 325 | WR17X2061 GE Refrigerator Crush Dispenser |
| 326 | GEN WR01X1366 |
| 326 | GEN WR01X1585 |
| 326 | WR1X1367D GE Refrigerator Return Package 12 |
| 328 | GEN WR02X4561 |
| 328 | WR2X4143 GE Refrigerator Pivot |
| 328 | DEFLECTOR ICE DISP |
| 329 | WIRE ACTUATOR DISP |
| 330 | GEN WR02X4145 |
| 331 | GEN WR02X4251 |
| 332 | WR17X1361 GE Refrigerator Blades Moving Display |
| 333 | WR17X1362 GE Refrigerator Middle Blade |
| 334 | WR17X1363 GE Refrigerator Blades Moving Display |
| 335 | GEN WR02X4139 |
| 336 | GEN WR17X1009 |
| 337 | WR2X4138 GE Refrigerator Spacer |
| 338 | WR2X4140 GE Refrigerator Blade Rest |
| 339 | GEN WR02X4141 |
| 340 | WR17X2058 GE Refrigerator Dispenser Blade |
| 345 | PLATE FRONT DISP |
| 346 | HELIX REAR-DISP |
| 346 | HELIX FRONT-DISP |
| 348 | GEN WR02X7351 |
| 349 | WR2X4550 GE Refrigerator Drive Cup |
| 350 | GEN WR17X2740 |
| 352 | WR30X256 GE Refrigerator Ice Dispenser |
| 353 | WZ4X241D GE Screw Package |
| 353 | WR2X7905 GE Refrigerator Bucket Seal |
| 360 | GEN WR02X4566 |
| 360 | GEN WR71X2205 |
| 361 | COVER MOTOR & SOLENOID |
| 362 | GEN WR02X7936 |
| 363 | GEN WR02X4465 |
| 364 | GEN WR02X7310 |
| 365 | GEN WR02X4854 |
| 366 | GEN WR01X1547 |
| 368 | GEN WR02X8459 |
| 370 | WR01X10618 GE Refrigerator Screw 8-18 TPT 1/4 |
| 370 | WR60X10262 GE Refrigerator Motor Crusher Dispenser |
| 372 | WR02X11295 GE Refrigerator Auger Motor Boot |
| 375 | GEN WR23X0194 |
| 376 | GEN WR23X0189 |
| 377 | WR2X7309 GE Refrigerator Solenoid Cushion |
| 381 | WR62X23154 GE Refrigerator Ice Dispenser Solenoid Kit |
| 382 | WR62X26536 GE Refrigerator Armature Kit |
| 387 | GEN WR17X3010 |
| 388 | GEN WR17X2874 |
| 388 | GEN WR38X1524 |
| 395 | GEN WR17X2905 |
| 423 | GEN WR02X6347 |
| 435 | RANGE ONLY 40W 120V APPL BULB |
| 435 | WR2X9391 GE Socket and Terminal |
| 446 | UNKNOWN |
| 447 | SHIM HINGE BTM. |