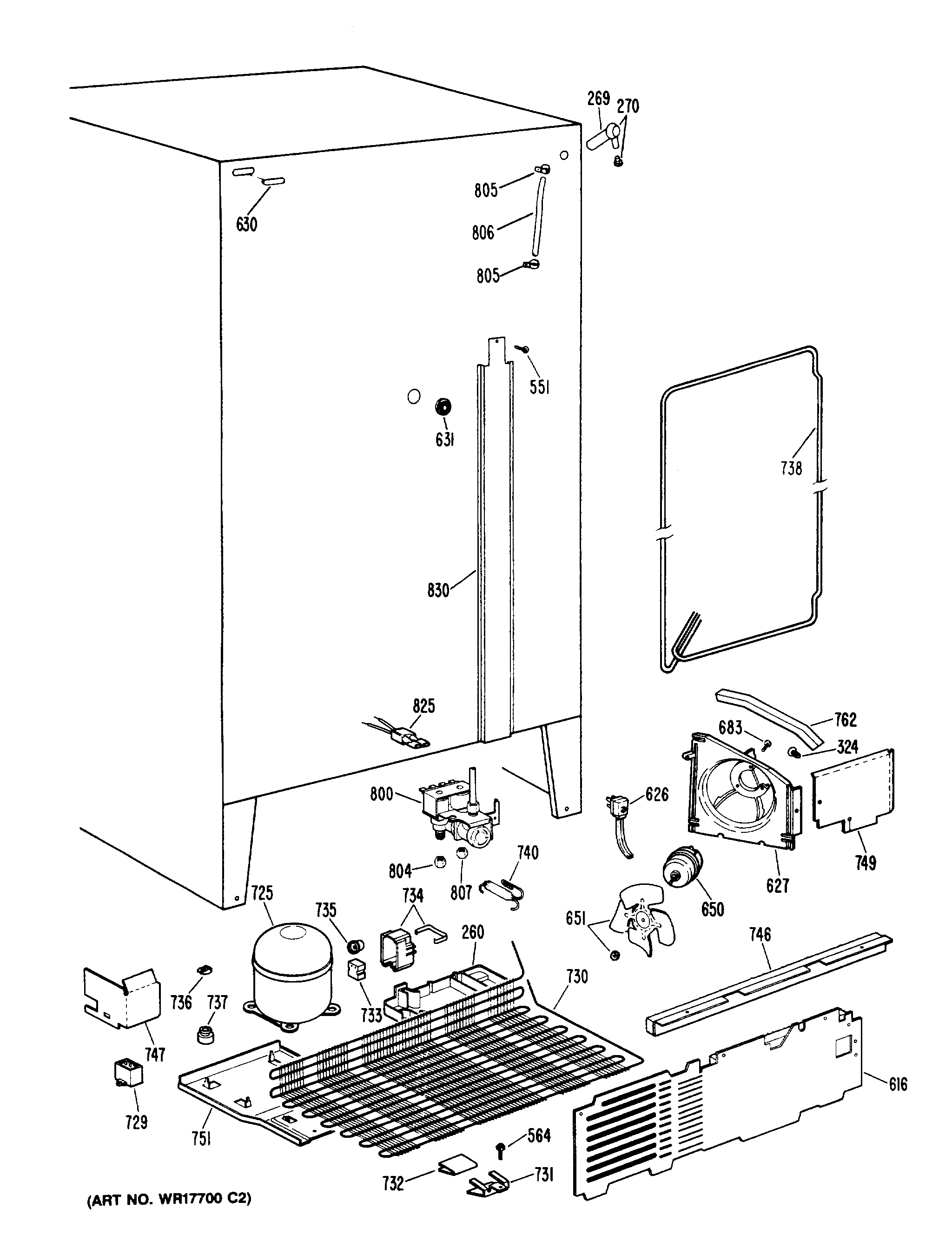
TFX24FRAWH 1