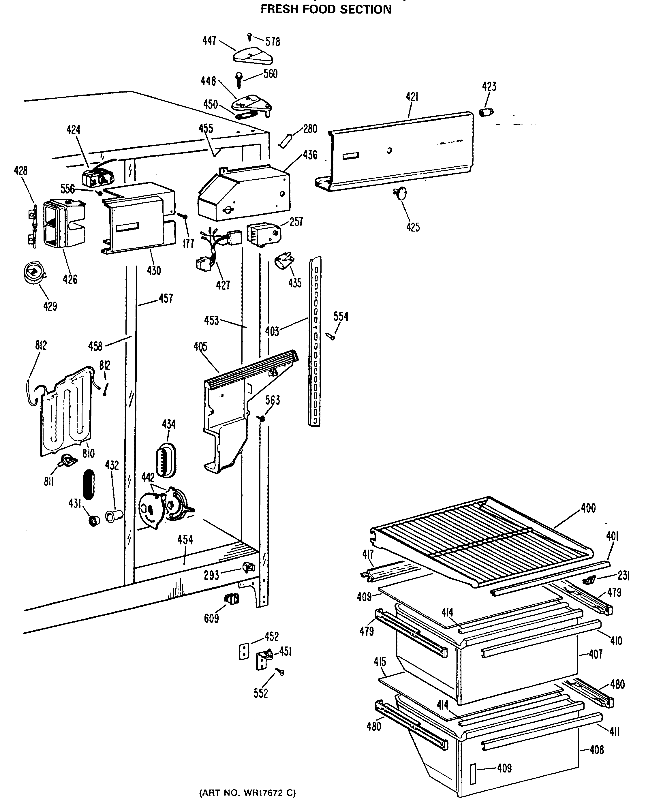
TFX24PLP FRESH FOOD SECTIONadmin2025-04-26T10:43:55+00:00TFX24PLP FRESH FOOD SECTION ProductsPositionProduct177SCREW231GEN WR02X4944257DEFROST TIMER257SCR 6-32 D TR 3/8 SS293GEN WR02X7080400GEN WR71X1658401GEN WR38X1308403GEN WR72X0062405GEN WR17X1523405GEN WR14X0264407GEN WR32X1014408GEN WR32X1013409GEN WR02X7944409GEN WR32X1046410GEN WR17X2495411GEN WR17X2496414GEN WR14X0339415GEN WR32X0886417GEN WR02X7359421GEN WR17X2497423GEN WR02X6347424GEN WR09X0442425GEN WR02X7157426GEN WR14X0369426GEN WR02X8043426GEN WR02X4834427GEN WR23X0316428GEN WR02X4835429GEN WR02X4836430GEN WR17X2209431GEN WR02X6146432GEN WR02X3886434GEN WR02X4542435WR2X9391 GE Socket and Terminal435RANGE ONLY 40W 120V APPL BULB436GEN WR02X7736442KNOB CONTROL442GEN WR02X3884442GEN WR02X7035447GEN WR02X8262448GEN WR13X0601450GEN WR02X4194451WR13X10020 GE Refrigerator Door Hinge Assembly with Cam452SHIM HINGE BTM.452NUTSTRIP HINGE453GEN WR40X1631454GEN WR40X1629455GEN WR40X1635457GEN WR40X1640458GEN WR40X1576458GEN WR02X7033458GEN WR02X7031458GEN WR02X4739479WR72X207 GE Refrigerator Left Hand Slide Assembly479GEN WR72X0155480GEN WR72X0144480GEN WR72X0145552SCR 12-24 TT HXW 1 3/64S554GEN WR01X1483556SCR 8-32 MA TR 1/4 SS560GEN WR01X1249560GEN WR01X1806563WZ4X241D GE Screw Package578WZ2X464D GE Screw609WR23X37285 GE Light Switch810WATER TANK DISPENSER ASM811GEN WR02X4469812WR17X1483 GE Refrigerator Tube Replacement Pack