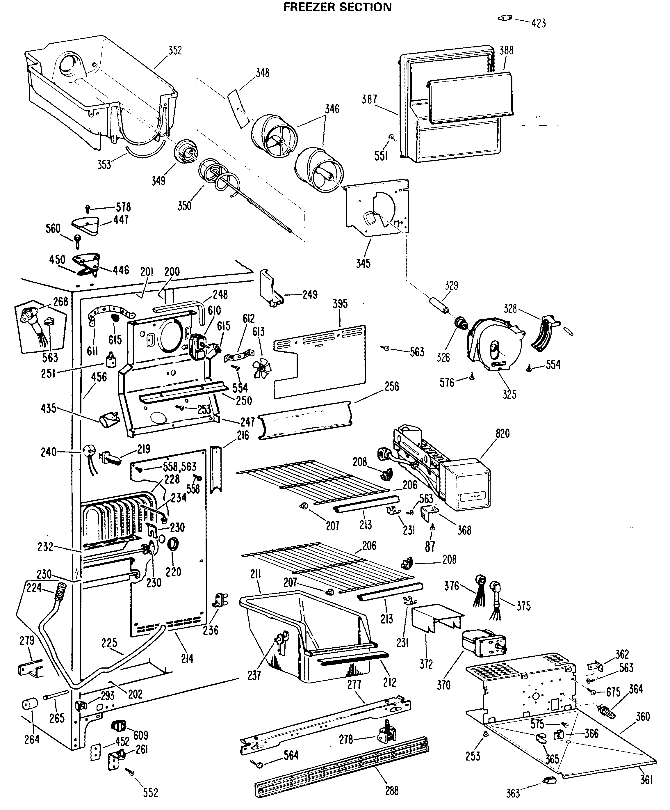
TFX24PLR FREEZER SECTION

TFX24PLR FREEZER SECTION

Products

PositionProduct
200GEN WR40X1641
201GEN WR40X1638
202GEN WR40X1637
206WR71X1936 GE Freezer Wire Shelf
207GEN WR02X4676
208GEN WR02X4674
211GEN WR21X0165
212GEN WR17X2513
213GEN WR38X1316
214GEN WR14X0274
214GEN WR17X2130
214GEN WR02X7257
219GEN WR02X4421
220GEN WR02X7926
224GEN WR02X4967
225GEN WR01X5042
225GEN WR02X8293
225GEN WR02X4838
228GEN WR02X4982
228GEN WR02X4983
228GEN WR85X0201
230SHIELD DEF HTR END
230GEN WR02X4557
230GEN WR51X0258
231GEN WR02X4944
232GEN WR02X4970
234GEN WR02X4546
236GEN WR02X4548
237GEN WR02X7036
240WR50X55 GE Refrigerator Defrost Thermostat 55 Degree with Clip
247GEN WR17X2134
247GEN WR02X4845
248GEN WR14X0272
249GEN WR17X1414
250GEN WR02X7945
251GEN WR02X2880
258GEN WR17X1424
261WR13X10020 GE Refrigerator Door Hinge Assembly with Cam
264WR2X3594 GE Refrigerator Wheel
265GEN WR02X4742
265GEN WR02X3598
268GEN WR23X0312
277GEN WR17X2113
278WHEEL ASM FRT
279GEN WR17X2743
288GEN WR74X0199
293GEN WR02X7080
325WR17X2061 GE Refrigerator Crush Dispenser
326GEN WR01X1585
326WR1X1367D GE Refrigerator Return Package 12
326GEN WR01X1366
328WR2X4143 GE Refrigerator Pivot
328DEFLECTOR ICE DISP
329GEN WR02X6326
345PLATE FRONT DISP
346HELIX FRONT-DISP
346HELIX REAR-DISP
348GEN WR02X7351
349WR2X4550 GE Refrigerator Drive Cup
350GEN WR17X2740
352WR30X256 GE Refrigerator Ice Dispenser
353WR2X7905 GE Refrigerator Bucket Seal
360GEN WR02X4566
360GEN WR71X1874
361GEN WR17X2709
362GEN WR02X7936
363GEN WR02X4465
364GEN WR02X7310
365GEN WR02X4854
366GEN WR01X1547
368GEN WR02X7311
370MOTOR AUGER DISP
370WR01X10618 GE Refrigerator Screw 8-18 TPT 1/4
372WR02X11295 GE Refrigerator Auger Motor Boot
375GEN WR23X0194
376GEN WR23X0189
387GEN WR17X2836
388GEN WR17X2837
388GEN WR38X1524
395GEN WR17X2370
423GEN WR02X6347
435RANGE ONLY 40W 120V APPL BULB
435WR2X9391 GE Socket and Terminal
446UNKNOWN
447GEN WR02X8262
450GEN WR02X4194
452SHIM HINGE BTM.
452NUTSTRIP HINGE
456GEN WR40X1632
551GEN WZ04X0244
554GEN WR01X1483
558GEN WZ06X0107
560GEN WR01X1806
563WZ4X241D GE Screw Package
564GEN WR01X1194
578WZ2X464D GE Screw
609WR23X37285 GE Light Switch
610GEN WR60X0178
611BRACKET EVAP FAN
612BRACKET EVAP FAN
613WR60X114 GE Refrigerator Evaporator Motor Fan Blade
613GEN WR60