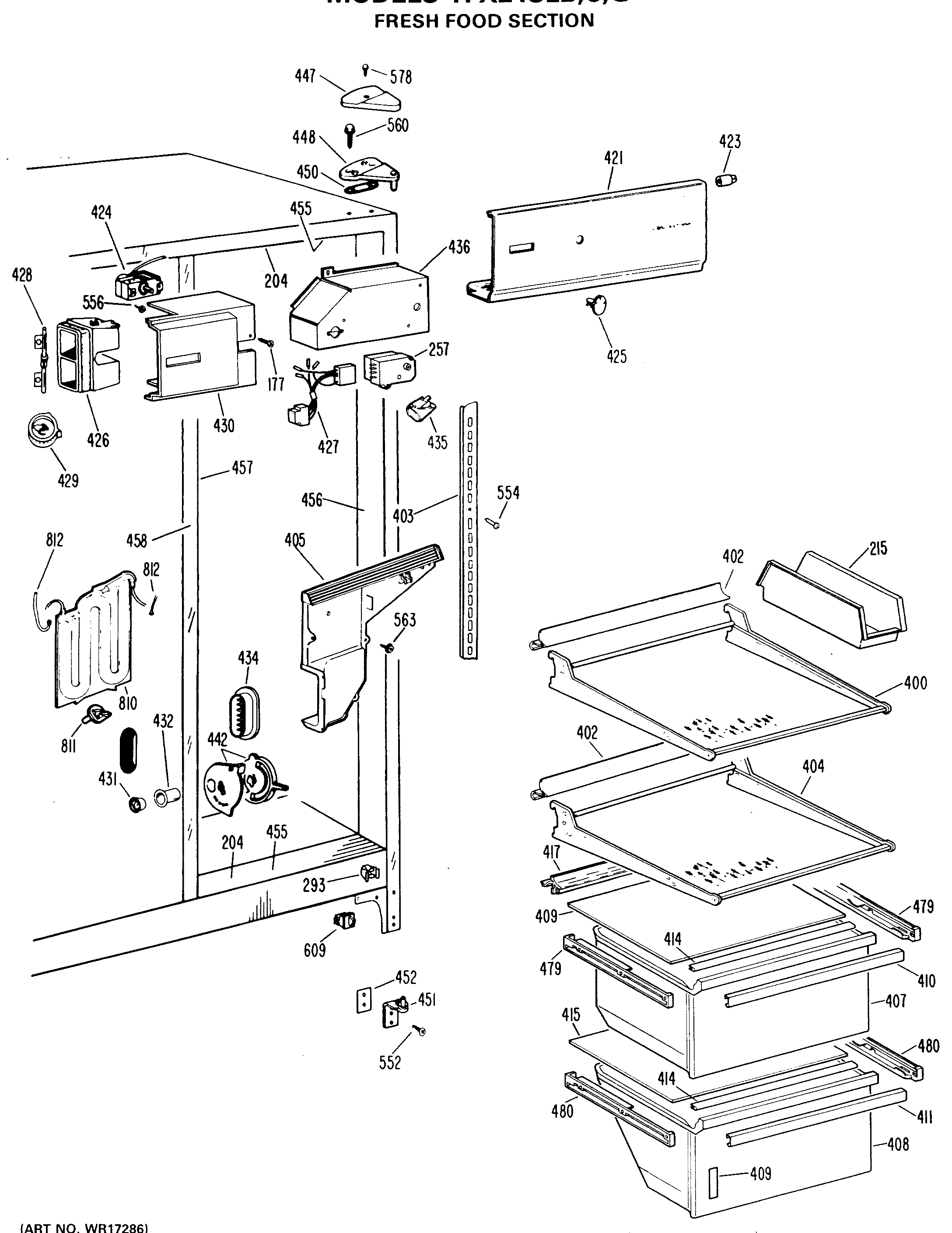
TFX24SLC FRESH FOOD SECTIONadmin2025-04-26T10:44:00+00:00TFX24SLC FRESH FOOD SECTION ProductsPositionProduct177SCREW215GEN WR32X0913257SCR 6-32 D TR 3/8 SS257WR9X502 GE Refrigerator Defrost Timer293GEN WR02X7080400GEN WR71X1937402GEN WR38X1305403GEN WR72X0062405GEN WR17X1523405GEN WR14X0264407GEN WR32X1049408GEN WR32X1047409GEN WR02X7214409GEN WR32X5177410GEN WR17X2495411GEN WR17X2496414GEN WR14X0339415GEN WR32X0886417GEN WR02X7359421GEN WR17X2497423GEN WR02X6347424GEN WR09X0442425GEN WR02X7157427GEN WR23X0316428GEN WR02X4835431GEN WR02X6146432GEN WR02X3886434GEN WR02X4542435RANGE ONLY 40W 120V APPL BULB435WR2X9391 GE Socket and Terminal436GEN WR02X7736442GEN WR02X7035447GEN WR02X7961448GEN WR13X0577450GEN WR02X4194451WR13X10020 GE Refrigerator Door Hinge Assembly with Cam452NUTSTRIP HINGE455GEN WR40X1635456GEN WR40X1632457GEN WR40X1640458GEN WR02X7031458GEN WR40X1576458GEN WR02X4739458GEN WR02X7033479WR72X0214479GEN WR17X2100480GEN WR72X0111480GEN WR72X0110552SCR 12-24 TT HXW 1 3/64S554GEN WR01X1483556SCR 8-32 MA TR 1/4 SS560GEN WR01X1249578WZ2X464D GE Screw609WR23X37285 GE Light Switch810WATER TANK DISPENSER ASM811GEN WR02X4469812WR17X1483 GE Refrigerator Tube Replacement Pack