TFX25CRBAWW FRESH FOOD SECTION

TFX25CRBAWW FRESH FOOD SECTION

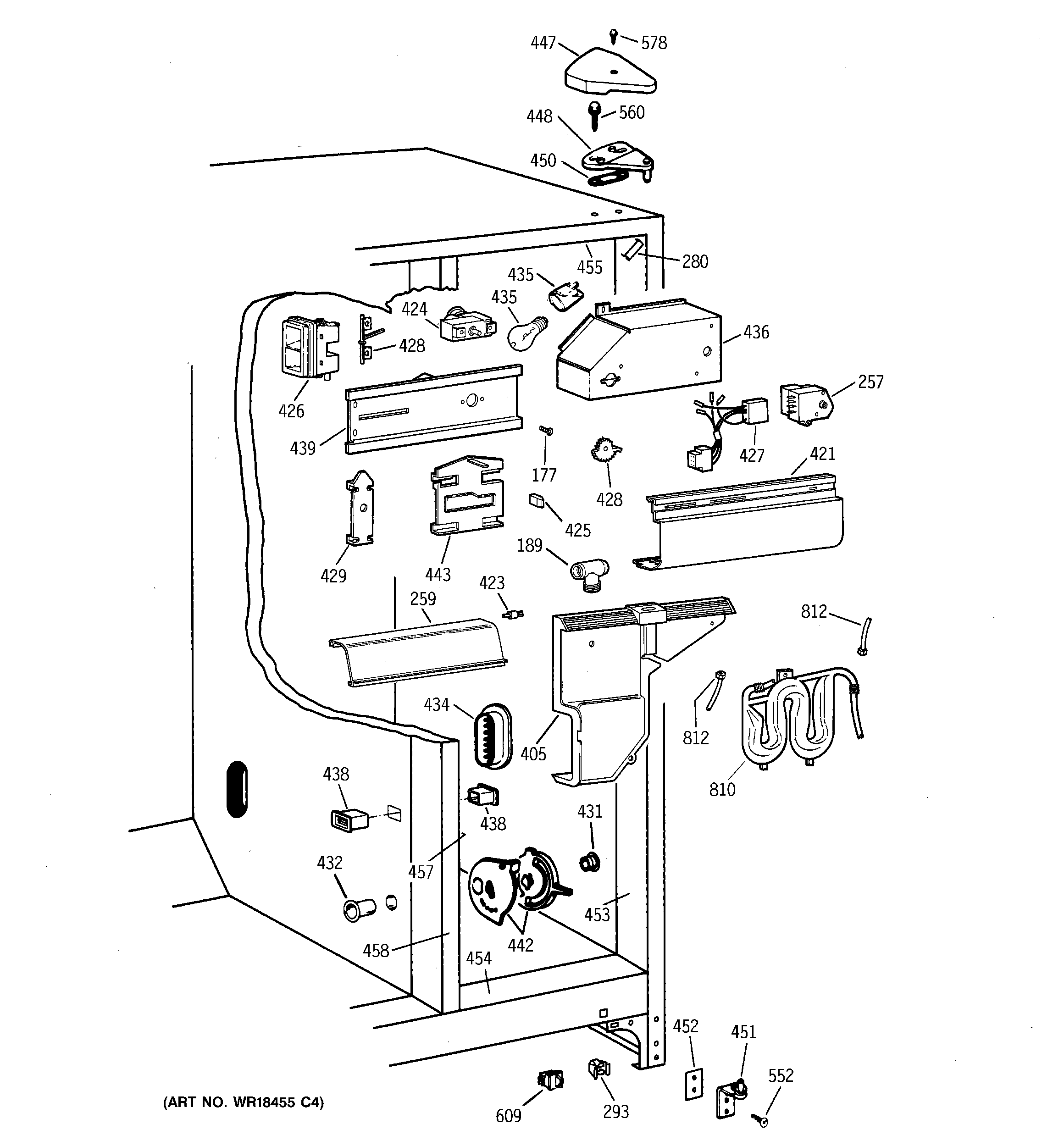
Products

PositionProduct
177SCREW
189GEN WR02X9243
216GEN WR32X1575
257DEFROST TIMER
259GEN WR17X3909
280GEN WR02X8518
293GEN WR02X7080
400GEN WR71X2623
403WR72X254 GE Refrigerator Side Track Assembly
405GEN WR17X3890
407WR32X1492 GE Refrigerator Vegetable Pan
408GEN WR32X1493
409GEN WR32X1500
410GEN WR17X3950
411GEN WR17X3951
414GEN WR14X0431
415GEN WR32X1473
417GEN WR14X10006
421GEN WR17X4124
423GEN WR02X6347
423GEN WR02X10050
424GEN WR09X0570
425GEN WR02X8398
426GEN WR02X8425
426GEN WR02X8514
427GEN WR23X0316
428GEN WR02X8513
428GEN WR02X9396
429HOLDER HEATER ELEMENT
431WR2X9299 GE Refrigerator Air Duct Cap Mullion
432GEN WR02X8654
434GEN WR02X9431
435WR2X9391 GE Socket and Terminal
435RANGE ONLY 40W 120V APPL BULB
436GEN WR02X7736
438GEN WR02X8655
438GEN WR02X7476
439GEN WR17X2922
442GEN WR17X10060
443GEN WR02X8570
447GEN WR02X8824
447GEN WR02X8825
448GEN WR13X0659
450GEN WR02X4194
451WR13X10020 GE Refrigerator Door Hinge Assembly with Cam
452GEN WR02X9443
453GEN WR40X1734
454GEN WR40X1735
455GEN WR40X1736
457GEN WR40X1737
458GEN WR02X9376
458GEN WR02X7033
458GEN WR02X4739
458GEN WR40X1738
471GEN WR32X1339
472GEN WR38X10111
473WR1X2048 GE Refrigerator Slide Bearing
473GEN WR72X0211
473GEN WR72X0210
479WR72X240 GE Slide Assembly Right Hand
479WR72X239 GE Refrigerator Left Hand Slide Assembly
480GEN WR72X0253
480WR72X252 GE Refrigerator Slide Assembly Left Hand
481GEN WR01X2079
551GEN WZ04X0244
552WR01X10600 GE Refrigerator Screw 12-24 Tapping Hex .811 S Z
554WR01X10601 GE Refrigerator Screw 10-24 TT IHXW
560GEN WR01X2140
578WZ2X464D GE Screw
609WR23X37285 GE Light Switch
810WR17X4358 GE Refrigerator Water Tank
812WR17X2891 GE Refrigerator 5/16" X 6FT Plastic Water Line Tubing