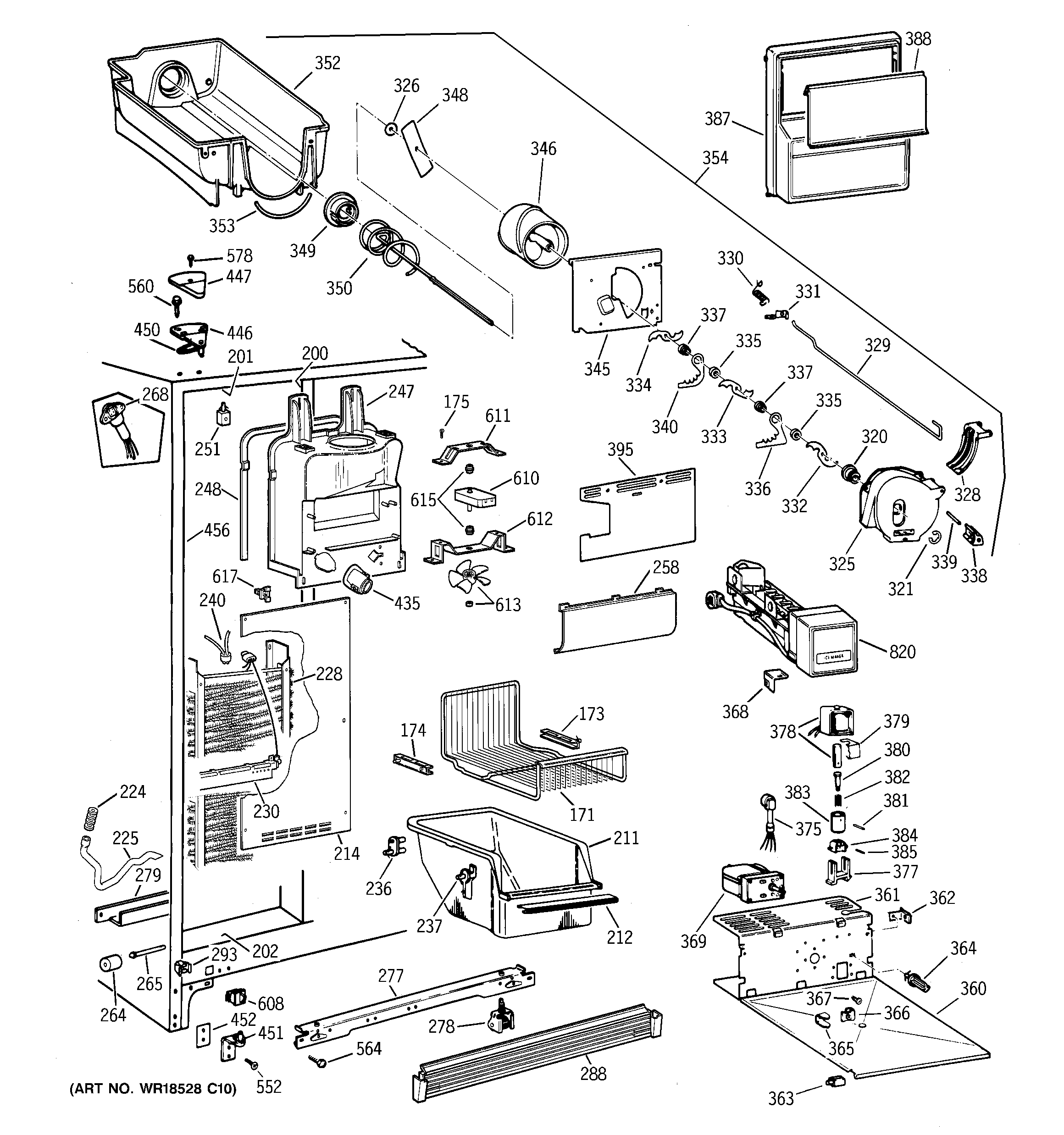
TFX25PPBEBB FREEZER SECTIONadmin2025-04-26T10:47:34+00:00TFX25PPBEBB FREEZER SECTION ProductsPositionProduct171GEN WR71X10147173WR72X10079 GE Refrigerator Right Hand Basket Support Slide174SUPPORT SLIDE BASKET LH175WR01X10652 GE Refrigerator Screw 8-18 AB IHW 5/8 S200GEN WR40X1730201GEN WR40X1731202GEN WR40X1732211GEN WR21X0190212GEN WR17X3103214GEN WR17X3915214GEN WR01X10064214GEN WR14X0456224GEN WR02X8657225GEN WR01X5042225GEN WR02X10395228WR87X29147 GE Refrigerator 25' Evaporator230WR51X10029 GE Defrost Heater Harness230WR51X10055 GE Refrigerator Defrost Heater and Bracket Assembly236GEN WR02X4548237GEN WR02X7036240WR50X122 GE Refrigerator Defrost Bi-metal Thermostat247GEN WR17X10226248GEN WR14X0493251GEN WR02X2880258GEN WR17X3489264WR2X3594 GE Refrigerator Wheel265GEN WR02X3595265GEN WR02X4742268GEN WR23X0312277GEN WR17X2113278WHEEL ASM FRT279GEN WR17X10434288GEN WR74X0199293GEN WR02X7080320GEN WR01X1585321WR1X1367D GE Refrigerator Return Package 12325WR17X2061 GE Refrigerator Crush Dispenser326GEN WR01X1366328WR2X4143 GE Refrigerator Pivot328GEN WR02X4561328DEFLECTOR ICE DISP329WIRE ACTUATOR DISP330GEN WR02X4145331GEN WR02X4251332WR17X1361 GE Refrigerator Blades Moving Display333WR17X1362 GE Refrigerator Middle Blade334WR17X1363 GE Refrigerator Blades Moving Display335GEN WR02X4139336GEN WR17X1009337WR2X4138 GE Refrigerator Spacer338WR2X4140 GE Refrigerator Blade Rest339GEN WR02X4141340WR17X2058 GE Refrigerator Dispenser Blade345PLATE FRONT DISP346WR17X4207 GE Refrigerator Front Helix348GEN WR02X7351349WR2X4550 GE Refrigerator Drive Cup350GEN WR17X4309352WR30X256 GE Refrigerator Ice Dispenser353WR2X7905 GE Refrigerator Bucket Seal354WR17X4312 GE Refrigerator Ice Maker Auger and Bucket Assembly360GEN WR71X2465360GEN WR02X4566361GEN WR17X10321362GEN WR02X8839363GEN WR02X8952364GEN WR02X7310365GEN WR02X4854366GEN WR01X1547367WR01X10618 GE Refrigerator Screw 8-18 TPT 1/4368GEN WR02X8459369WR60X10262 GE Refrigerator Motor Crusher Dispenser375GEN WR23X10055377WR2X7309 GE Refrigerator Solenoid Cushion381WR62X23154 GE Refrigerator Ice Dispenser Solenoid Kit382WR62X26536 GE Refrigerator Armature Kit387GEN WR17X10378388GEN WR17X10275395GEN WR17X10243435RANGE ONLY 40W 120V APPL BULB435WR2X9391 GE Socket and Terminal446GEN WR13X0660447GEN WR02X8846447GEN WR02X8845450GEN WR02X4194451WR13X10020 GE Refrigerator Door Hinge Assembly with Cam452GEN WR02X7011452SHIM HINGE BTM.456GEN WR40X1733552WR01X10600 GE Refrigerator Screw 12-24 Tapping Hex .811 S Z560GEN WR01X2140564GEN WR01X1194578WZ2X464D GE Screw608WR23X427 GE Refrigerator Freezer Light Switch610GEN WR60X1000