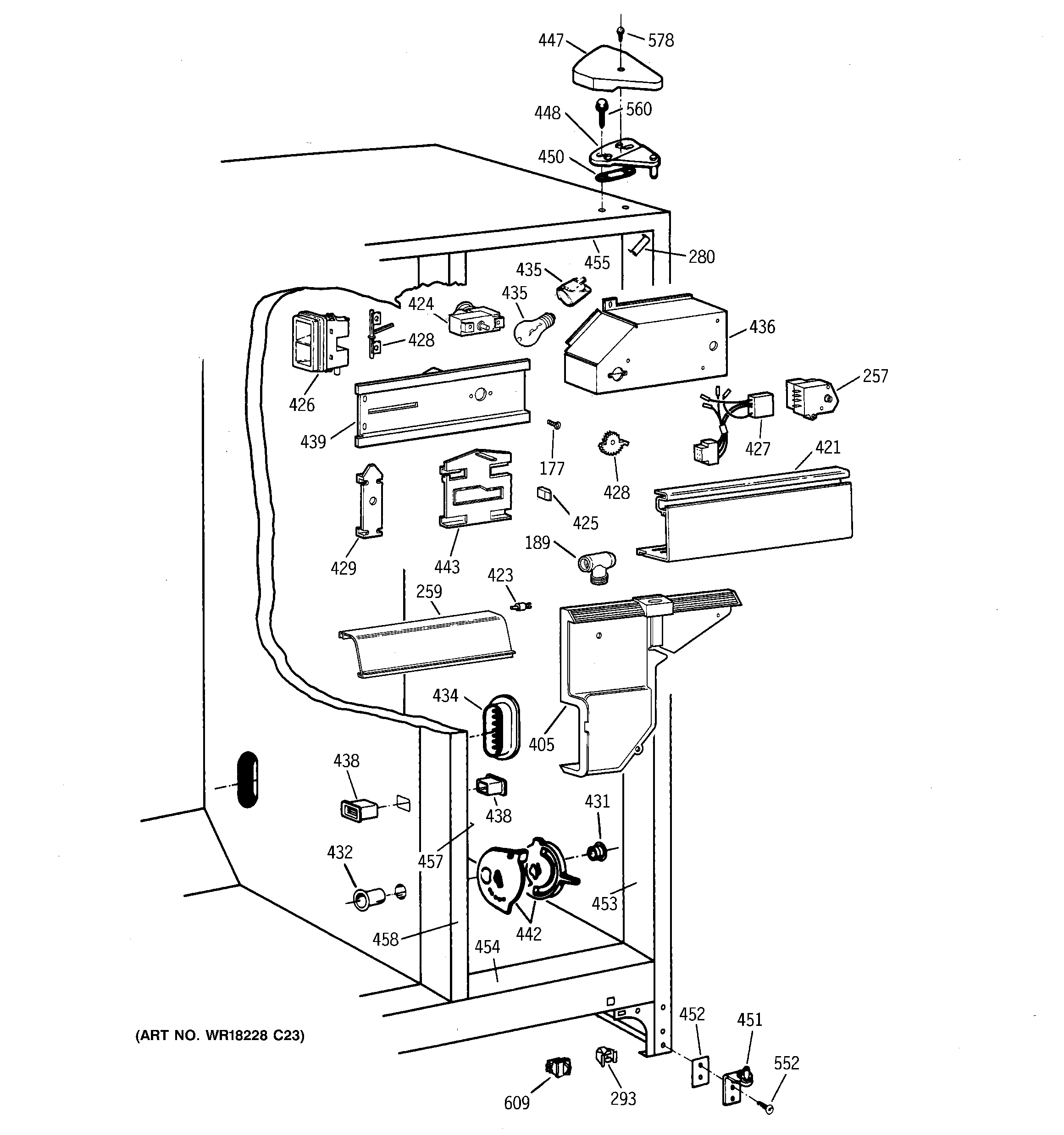
TFX25ZABBAA FRESH FOOD SECTION