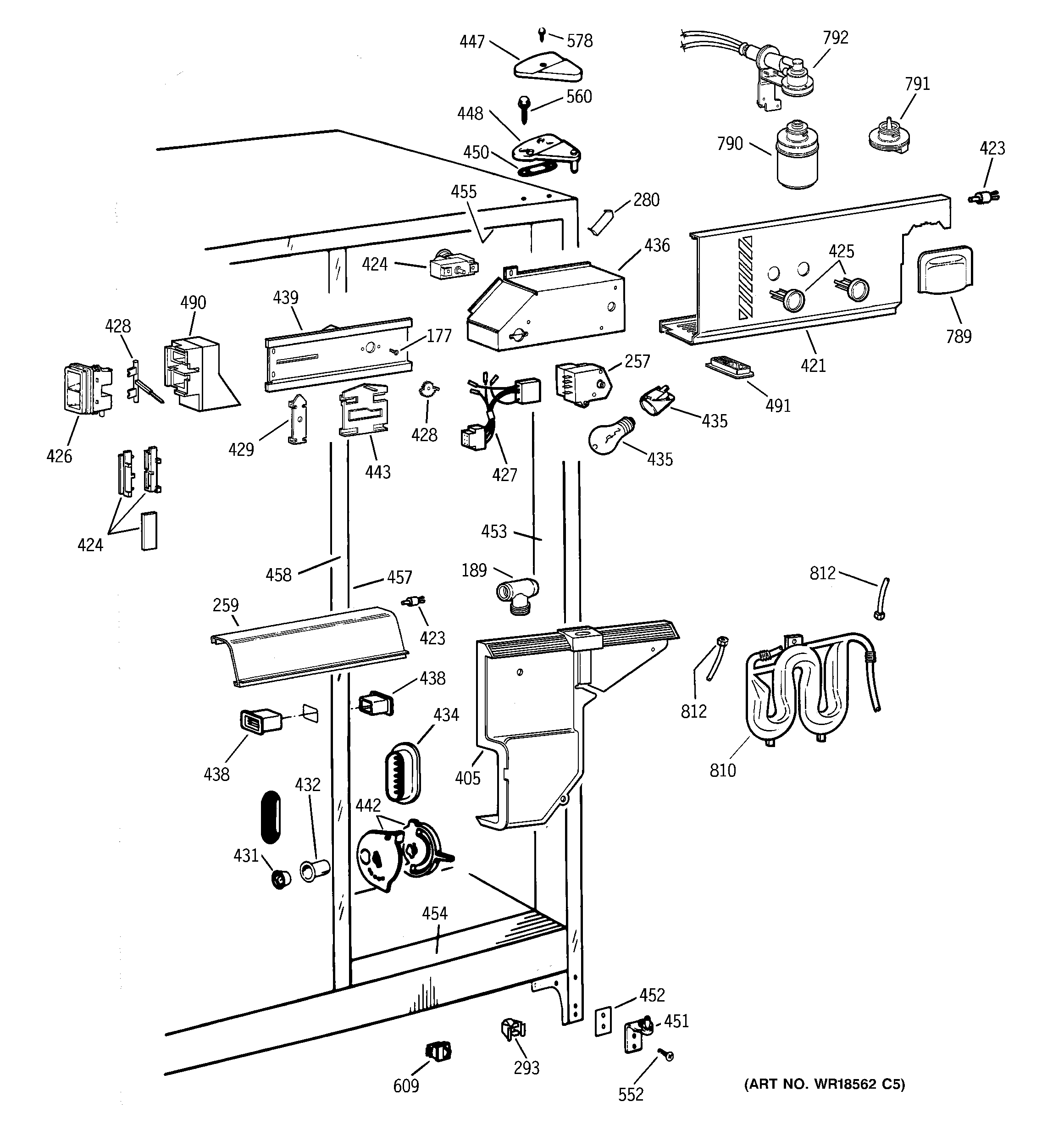
TFX25ZPBCAA FRESH FOOD SECTION