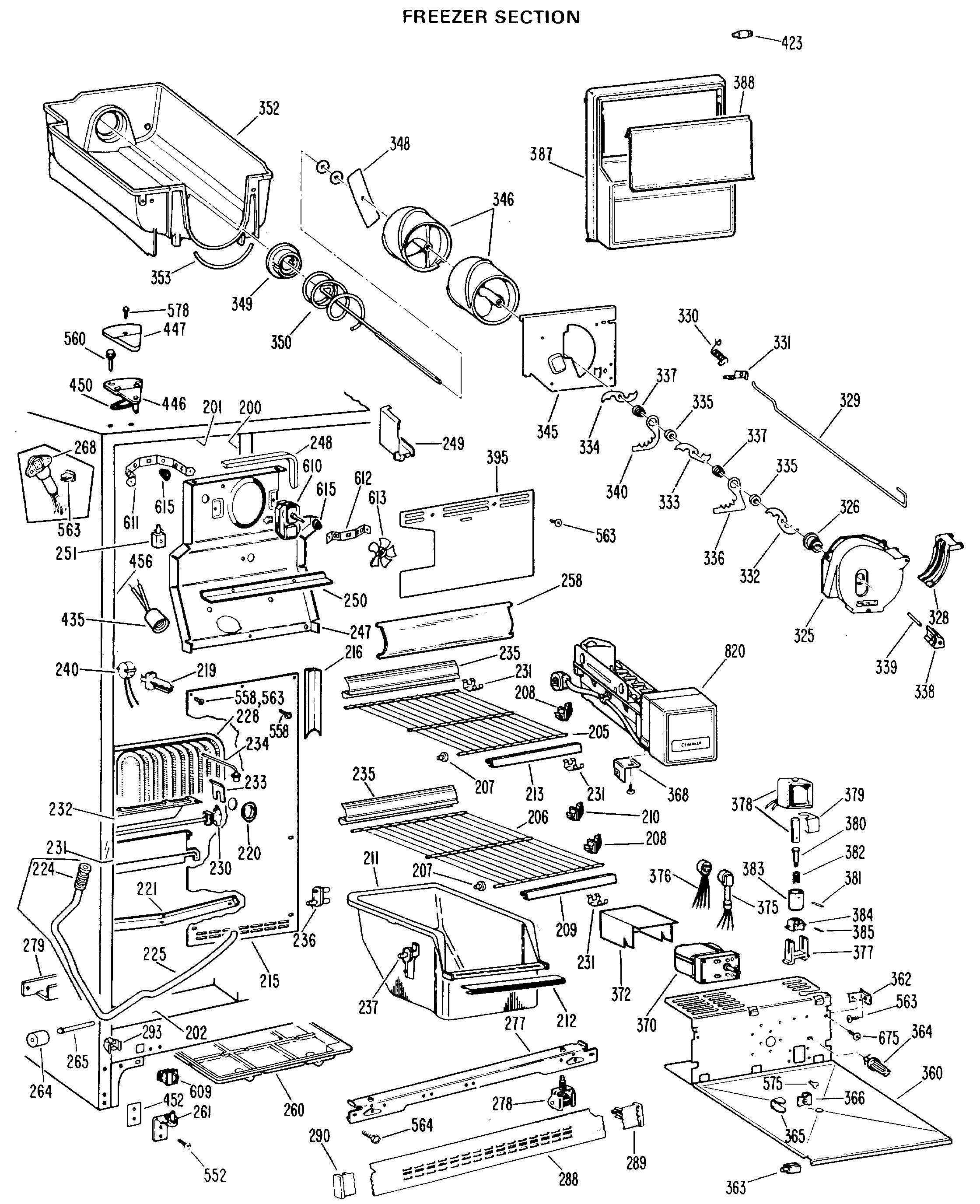
| 200 | GEN WR40X1612 |
| 201 | GEN WR40X1613 |
| 202 | GEN WR40X1614 |
| 202 | RETAINER BREAKER-BTM. |
| 205 | GEN WR71X1649 |
| 206 | GEN WR71X1648 |
| 207 | GEN WR02X4676 |
| 208 | GEN WR02X4674 |
| 209 | GEN WR38X1022 |
| 210 | GEN WR02X7215 |
| 211 | GEN WR21X0162 |
| 212 | GEN WR17X1980 |
| 213 | GEN WR38X1023 |
| 219 | GEN WR02X4421 |
| 220 | PLUG RECESSED |
| 221 | GEN WR17X1245 |
| 221 | GEN WR02X4545 |
| 224 | GEN WR02X4967 |
| 225 | GEN WR02X4838 |
| 225 | GEN WR17X2114 |
| 228 | GEN WR02X4983 |
| 228 | GEN WR85X0201 |
| 228 | GEN WR02X4982 |
| 230 | SHIELD DEF HTR END |
| 230 | GEN WR51X0258 |
| 230 | GEN WR02X4557 |
| 231 | GEN WR02X3440 |
| 231 | GEN WR02X4944 |
| 232 | GEN WR02X4970 |
| 234 | GEN WR02X4546 |
| 236 | GEN WR02X4548 |
| 237 | GEN WR02X7036 |
| 240 | WR50X55 GE Refrigerator Defrost Thermostat 55 Degree with Clip |
| 247 | GEN WR02X4845 |
| 247 | GEN WR17X2134 |
| 248 | GEN WR14X0272 |
| 249 | GEN WR17X1414 |
| 250 | GEN WR02X4844 |
| 251 | GEN WR02X2880 |
| 258 | GEN WR17X1424 |
| 261 | GEN WR13X0581 |
| 264 | WR2X3594 GE Refrigerator Wheel |
| 265 | GEN WR02X3598 |
| 265 | GEN WR02X4742 |
| 268 | GEN WR23X0307 |
| 277 | GEN WR17X2113 |
| 278 | WHEEL ASM FRT |
| 279 | GEN WR17X2098 |
| 288 | GEN WR02X7079 |
| 288 | GEN WR74X0188 |
| 289 | GEN WR02X7474 |
| 290 | GEN WR02X7475 |
| 293 | GEN WR02X7080 |
| 325 | WR17X2061 GE Refrigerator Crush Dispenser |
| 326 | GEN WR01X1585 |
| 326 | GEN WR01X1366 |
| 326 | WR1X1367D GE Refrigerator Return Package 12 |
| 328 | WR2X4143 GE Refrigerator Pivot |
| 328 | GEN WR02X4561 |
| 328 | DEFLECTOR ICE DISP |
| 329 | WIRE ACTUATOR DISP |
| 330 | GEN WR02X4145 |
| 331 | GEN WR02X4251 |
| 332 | WR17X1361 GE Refrigerator Blades Moving Display |
| 333 | WR17X1362 GE Refrigerator Middle Blade |
| 334 | WR17X1363 GE Refrigerator Blades Moving Display |
| 335 | GEN WR02X4139 |
| 336 | GEN WR17X1009 |
| 337 | WR2X4138 GE Refrigerator Spacer |
| 338 | WR2X4140 GE Refrigerator Blade Rest |
| 339 | GEN WR02X4141 |
| 340 | WR17X2058 GE Refrigerator Dispenser Blade |
| 345 | PLATE FRONT DISP |
| 346 | HELIX FRONT-DISP |
| 346 | HELIX REAR-DISP |
| 348 | GEN WR02X7351 |
| 349 | WR2X4550 GE Refrigerator Drive Cup |
| 350 | GEN WR17X2054 |
| 352 | WR30X256 GE Refrigerator Ice Dispenser |
| 353 | WR2X7905 GE Refrigerator Bucket Seal |
| 360 | SHELF BUCKET BTM DISPLAY |
| 360 | GEN WR02X4566 |
| 362 | GEN WR02X4587 |
| 363 | GEN WR02X4465 |
| 364 | GEN WR02X7310 |
| 365 | GEN WR02X4854 |
| 366 | GEN WR01X1547 |
| 368 | GEN WR02X7311 |
| 370 | MOTOR AUGER DISP |
| 372 | WR02X11295 GE Refrigerator Auger Motor Boot |
| 375 | GEN WR23X0194 |
| 377 | WR2X7309 GE Refrigerator Solenoid Cushion |
| 381 | WR62X23154 GE Refrigerator Ice Dispenser Solenoid Kit |
| 382 | WR62X26536 GE Refrigerator Armature Kit |
| 386 | GEN WZ06X0100 |
| 387 | GEN WR17X2063 |
| 388 | SLIDE R/S MEAT PAN |