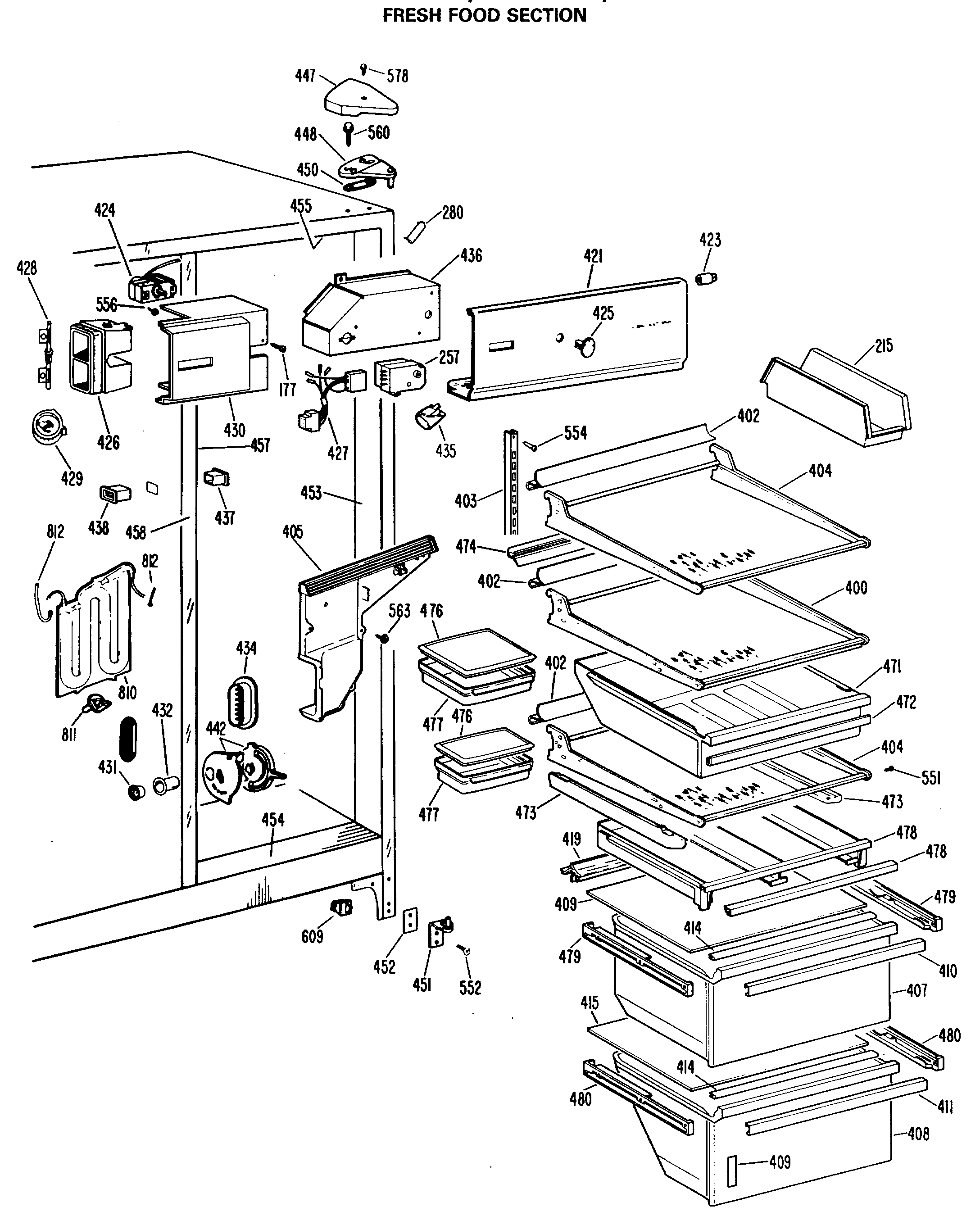
TFX27ILR FRESH FOOD SECTIONadmin2025-04-26T10:40:13+00:00TFX27ILR FRESH FOOD SECTION ProductsPositionProduct177SCREW215GEN WR32X0898257DEFROST TIMER257SCR 6-32 D TR 3/8 SS280GEN WR02X8417400GEN WR71X1938400GEN WR71X1928402GEN WR38X1434403GEN WR72X0104404GEN WR71X1929405GEN WR14X0264405GEN WR17X1523407GEN WR32X1049408GEN WR32X1047409GEN WR32X1046409GEN WR02X8375410GEN WR17X2495411GEN WR17X2496414GEN WR14X0339415GEN WR32X0886419GEN WR14X0341421GEN WR17X2497423GEN WR02X6347425GEN WR02X7157426GEN WR02X4834426GEN WR14X0369426GEN WR02X8043427GEN WR23X0316428GEN WR02X4835429GEN WR02X4836430GEN WR17X2209431GEN WR02X8434432GEN WR02X3886434GEN WR02X7367435WR2X9391 GE Socket and Terminal435RANGE ONLY 40W 120V APPL BULB436GEN WR02X7736437GEN WR02X7476438GEN WR02X8064442KNOB CONTROL442GEN WR02X3884442GEN WR02X7035447GEN WR02X8333448GEN WR13X0620450GEN WR02X4194451GEN WR13X0621452SHIM HINGE BTM.452NUTSTRIP HINGE453GEN WR40X1623454GEN WR40X1621455GEN WR40X1627457GEN WR40X1625458GEN WR40X1620458GEN WR02X4739458GEN WR02X7031458GEN WR02X7033471WR2X8349 GE Screw Grommet471GEN WR32X1048472GEN WR38X1309473GEN WR17X1516473GEN WR17X1515474GEN WR14X0282476GEN WR02X8065476GEN WR02X8066477GEN WR17X2827478GEN WR71X1943478GEN WR38X1317479GEN WR72X0160479GEN WR72X0159480GEN WR72X0111480GEN WR72X0110551GEN WZ04X0244554GEN WR01X1483556SCR 8-32 MA TR 1/4 SS560GEN WR01X1806563WZ4X241D GE Screw Package578WZ2X464D GE Screw609WR23X37285 GE Light Switch810WATER TANK DISPENSER ASM811GEN WR02X4469812WR17X1483 GE Refrigerator Tube Replacement Pack