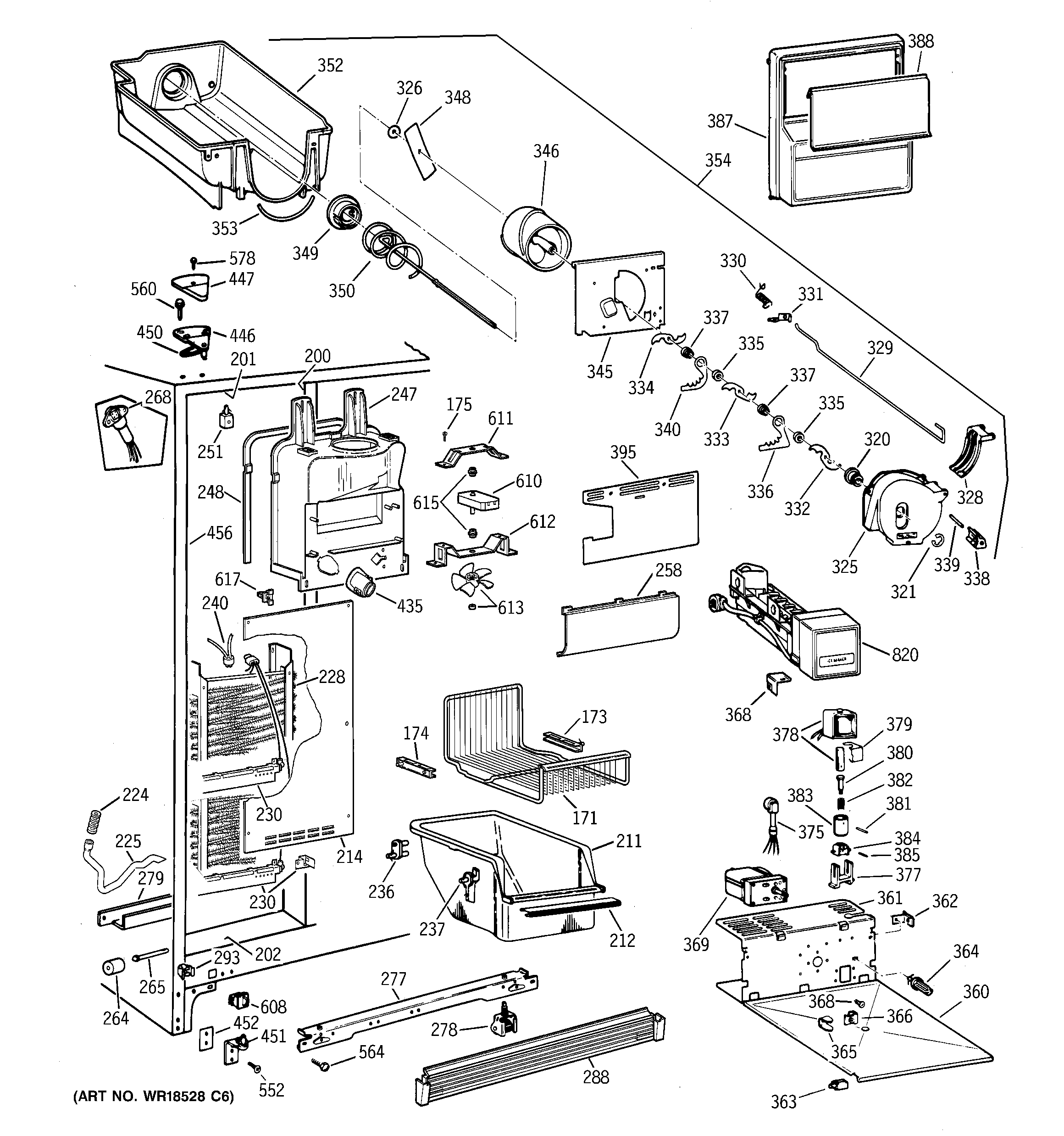
TFX27PPBBWW FREEZER SECTION

TFX27PPBBWW FREEZER SECTION

Products

PositionProduct
171GEN WR71X10147
173WR72X10079 GE Refrigerator Right Hand Basket Support Slide
174SUPPORT SLIDE BASKET LH
175WR01X10652 GE Refrigerator Screw 8-18 AB IHW 5/8 S
200GEN WR40X1730
201GEN WR40X1731
202GEN WR40X1732
211GEN WR21X0190
212GEN WR17X3103
214GEN WR17X3915
214GEN WR14X0456
214GEN WR01X10064
224GEN WR02X8657
225GEN WR02X8293
225GEN WR01X5042
228WR87X29147 GE Refrigerator 25' Evaporator
230WR51X443 GE Refrigerator Defrost Heater with Bi-metal
230GEN WR02X8647
236GEN WR02X4548
237GEN WR02X7036
240WR50X122 GE Refrigerator Defrost Bi-metal Thermostat
247GEN WR17X10226
248GEN WR14X0493
251GEN WR02X2880
258GEN WR17X3489
264WR2X3594 GE Refrigerator Wheel
265GEN WR02X3595
265GEN WR02X4742
268GEN WR23X0312
277GEN WR17X2113
278WHEEL ASM FRT
279GEN WR17X10434
288GEN WR74X0205
293GEN WR02X7080
320GEN WR01X1585
321WR1X1367D GE Refrigerator Return Package 12
325WR17X2061 GE Refrigerator Crush Dispenser
326GEN WR01X1366
328DEFLECTOR ICE DISP
328WR2X4143 GE Refrigerator Pivot
328GEN WR02X4561
329WIRE ACTUATOR DISP
330GEN WR02X4145
331GEN WR02X4251
332WR17X1361 GE Refrigerator Blades Moving Display
333WR17X1362 GE Refrigerator Middle Blade
334WR17X1363 GE Refrigerator Blades Moving Display
335GEN WR02X4139
336GEN WR17X1009
337WR2X4138 GE Refrigerator Spacer
338WR2X4140 GE Refrigerator Blade Rest
339GEN WR02X4141
340WR17X2058 GE Refrigerator Dispenser Blade
345PLATE FRONT DISP
346WR17X4207 GE Refrigerator Front Helix
348GEN WR02X7351
349WR2X4550 GE Refrigerator Drive Cup
350GEN WR17X4309
352WR30X256 GE Refrigerator Ice Dispenser
353WR2X7905 GE Refrigerator Bucket Seal
354WR17X4312 GE Refrigerator Ice Maker Auger and Bucket Assembly
360GEN WR02X4566
360GEN WR71X2465
361GEN WR17X10321
362GEN WR02X8839
363GEN WR02X8952
364GEN WR02X7310
365GEN WR02X4854
366GEN WR01X1547
368GEN WR02X8459
369WR60X10262 GE Refrigerator Motor Crusher Dispenser
375GEN WR23X10055
377WR2X7309 GE Refrigerator Solenoid Cushion
381WR62X23154 GE Refrigerator Ice Dispenser Solenoid Kit
382WR62X26536 GE Refrigerator Armature Kit
387GEN WR17X10378
388GEN WR17X10275
395GEN WR17X10243
435WR2X9391 GE Socket and Terminal
435RANGE ONLY 40W 120V APPL BULB
446GEN WR13X0645
447GEN WR02X8333
450GEN WR02X4194
451GEN WR13X0746
452GEN WR02X7011
456GEN WR40X1733
552WR01X10600 GE Refrigerator Screw 12-24 Tapping Hex .811 S Z
560GEN WR01X2140
564GEN WR01X1194
578WZ2X464D GE Screw
608WR23X427 GE Refrigerator Freezer Light Switch
610WR60X10008 GE Refrigerator Evaporator Fan Motor
611BRACKET COND. FAN
612GEN WR02X10101
613WR60X114 GE Refrigerator Evaporator Motor Fan Blade