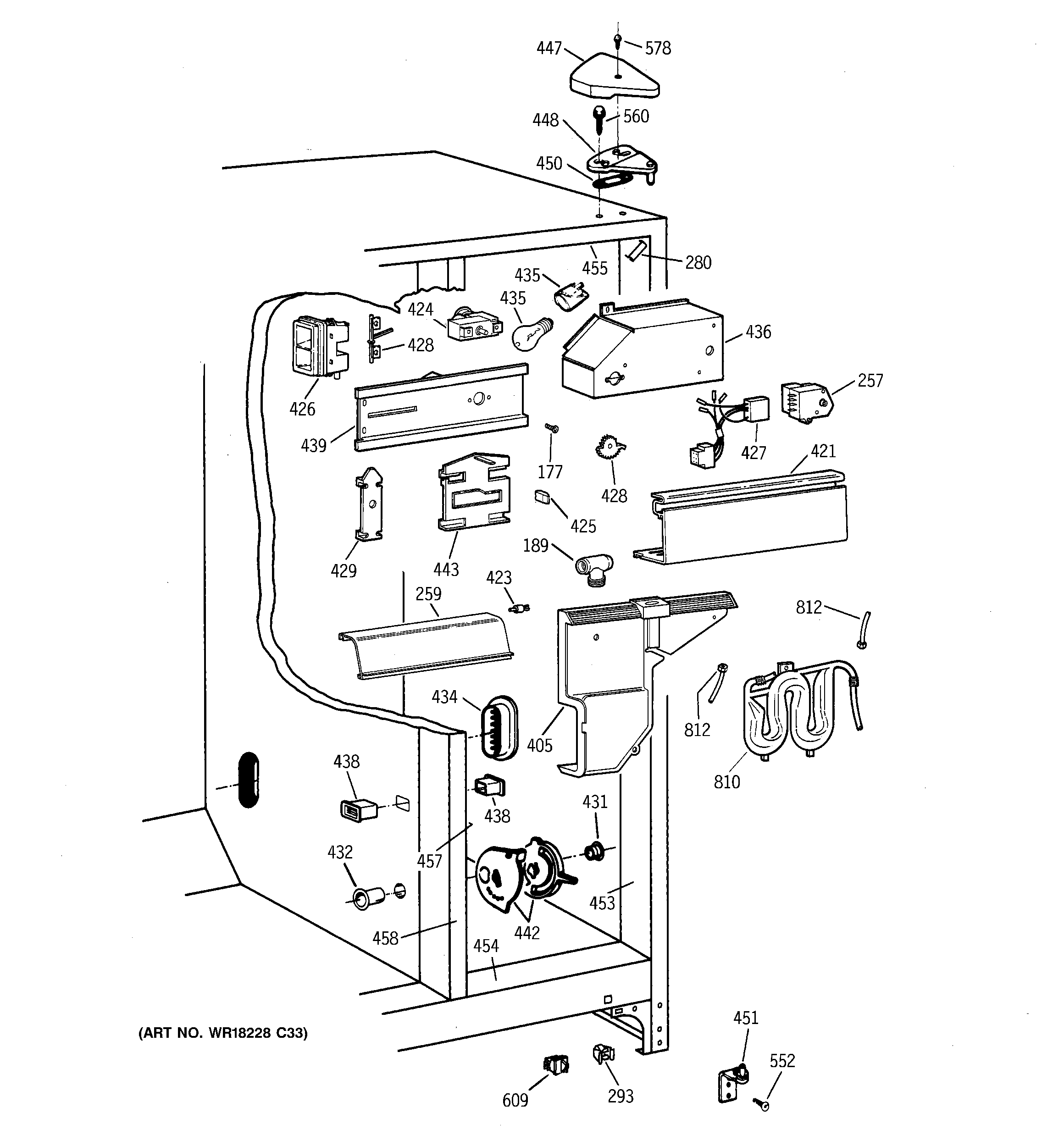
TFX27PRBEAA FRESH FOOD SECTION