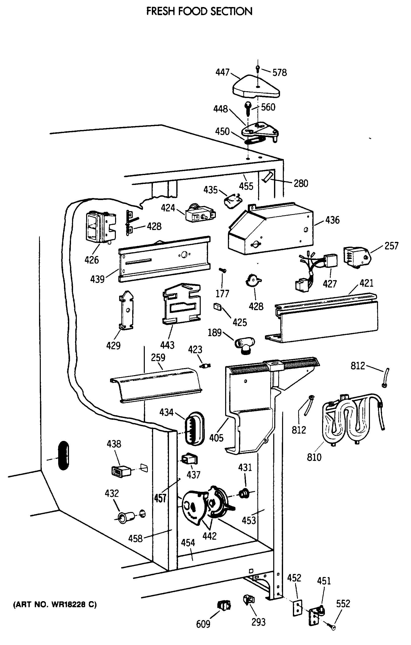
TFX27PRXAAA FRESH FOOD SECTION

TFX27PRXAAA FRESH FOOD SECTION

Products

PositionProduct
177SCREW
189GEN WR02X9243
215WR32X1435 GE Refrigerator Egg Bucket
257DEFROST TIMER
259GEN WR17X3849
280GEN WR02X8519
293GEN WR02X7080
403WR72X254 GE Refrigerator Side Track Assembly
405GEN WR17X3890
407GEN WR32X1461
408GEN WR32X1459
409GEN WR32X1456
410GEN WR17X3840
411GEN WR17X3841
414GEN WR14X0431
415GEN WR32X1457
416GEN WR32X1458
417GEN WR14X0470
418GEN WR17X3851
418GEN WR17X3961
421GEN WR17X2975
423GEN WR02X6347
424GEN WR09X0569
425GEN WR02X8398
426GEN WR02X8425
426GEN WR02X8514
427GEN WR23X0316
428GEN WR02X8513
428GEN WR02X8582
429HOLDER HEATER ELEMENT
431WR2X9299 GE Refrigerator Air Duct Cap Mullion
432GEN WR02X8654
434GEN WR02X9175
435RANGE ONLY 40W 120V APPL BULB
435WR2X9391 GE Socket and Terminal
436GEN WR02X7736
437GEN WR02X7476
438GEN WR02X8655
439GEN WR17X2922
440GEN WR17X3364
442GEN WR02X3884
442GEN WR02X8840
443GEN WR02X8570
447GEN WR02X8334
448GEN WR13X0725
450GEN WR02X4194
451GEN WR13X0719
452NUTSTRIP HINGE
452SHIM HINGE BTM.
453GEN WR40X1734
454GEN WR40X1735
455GEN WR40X1736
457GEN WR40X1737
458GEN WR02X4739
458GEN WR02X7033
458GEN WR02X8721
458GEN WR40X1740
470GEN WR14X0465
471WR2X8349 GE Screw Grommet
471GEN WR32X1460
472GEN WR17X3839
473GEN WR72X0250
473WR72X240 GE Slide Assembly Right Hand
473GEN WR72X0251
479WR72X239 GE Refrigerator Left Hand Slide Assembly
480WR72X242 GE Refrigerator Right Hand Slide Assembly
480WR72X241 GE Refrigerator Left Hand Crisper Drawer Slide Rail
500GEN WR71X2241
501GEN WR32X1442
502GEN WR38X1791
503GEN WR02X8573
504GEN WR14X0474
505GEN WR02X8575
505GEN WR02X8574
520GEN WR71X2246
521GEN WR32X1503
522GEN WR38X1792
523GEN WR71X2494
525GEN WR72X0219
525GEN WR72X0218
526GEN WR32X1268
551GEN WZ04X0244
552GEN WR01X2078
554GEN WR01X1483
560GEN WR01X2081
578WZ2X464D GE Screw
609WR23X37285 GE Light Switch
810WR17X4358 GE Refrigerator Water Tank
812WR17X2891 GE Refrigerator 5/16" X 6FT Plastic Water Line Tubing