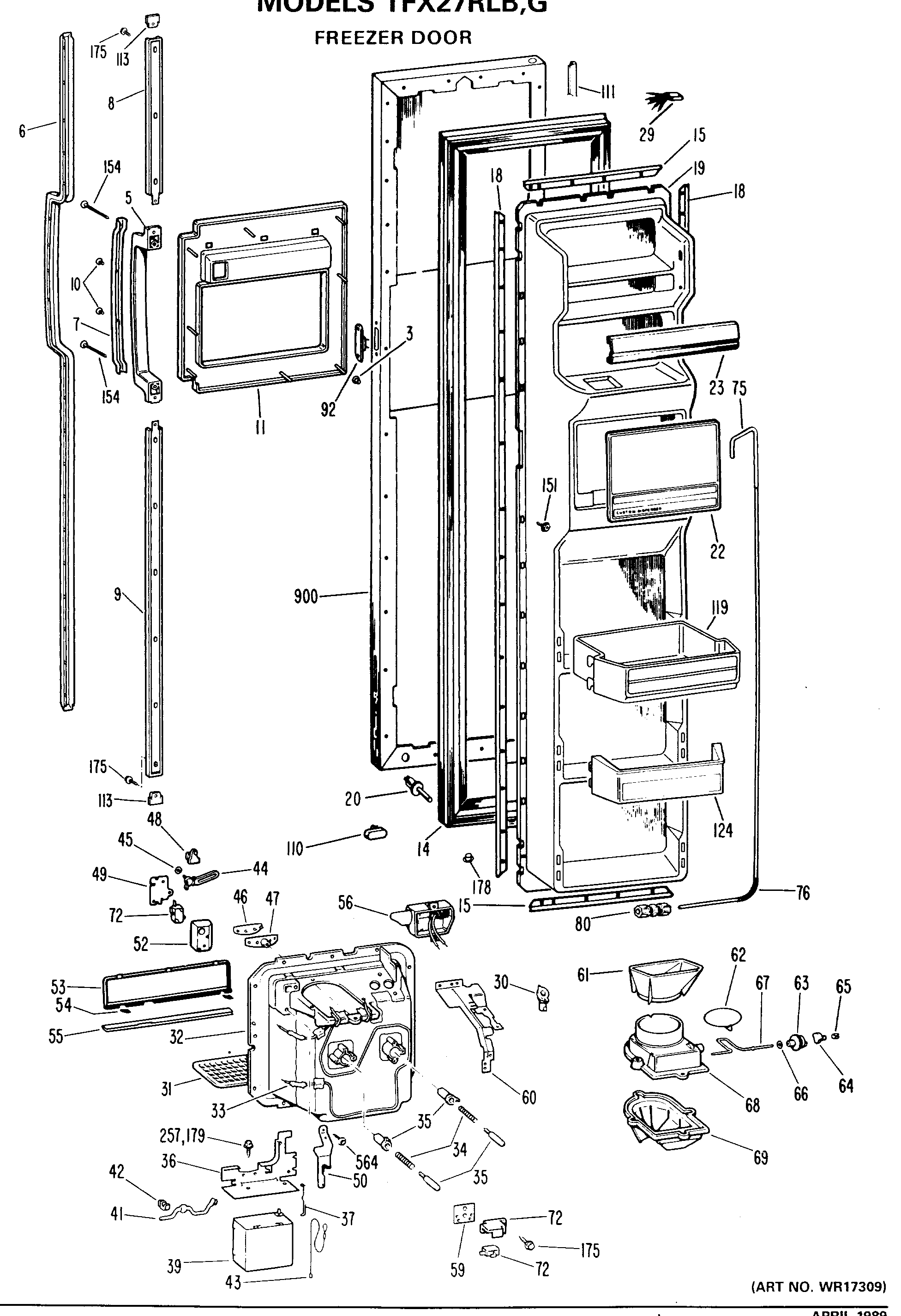
TFX27RLG FREEZER DOOR