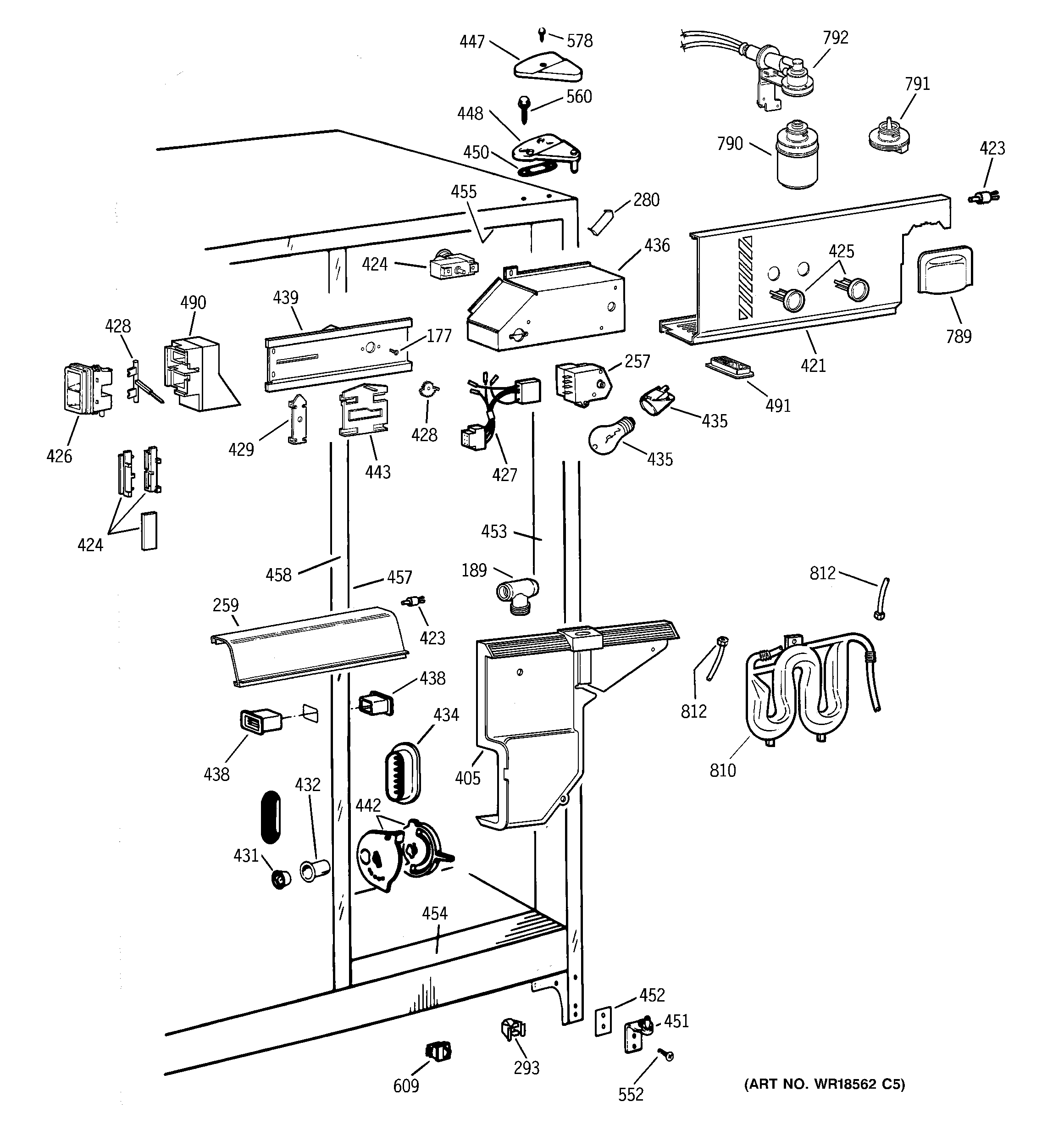
TFX27ZPBBBB FRESH FOOD SECTIONadmin2025-04-26T10:40:07+00:00TFX27ZPBBBB FRESH FOOD SECTION ProductsPositionProduct177SCREW189GEN WR02X9243257DEFROST TIMER259GEN WR17X3909280GEN WR02X8524293GEN WR02X7080405GEN WR14X0264405GEN WR17X3890421GEN WR17X10251421GEN WR14X0433423GEN WR02X10050423GEN WR02X6347424GEN WR02X10115424GEN WR02X10116424GEN WR09X10016424GEN WR02X10117425GEN WR02X8398426GEN WR02X8514426GEN WR02X8425427GEN WR23X0316428GEN WR02X10113428GEN WR02X8513429HOLDER HEATER ELEMENT431WR2X9299 GE Refrigerator Air Duct Cap Mullion432GEN WR02X8654434GEN WR02X9431435WR2X9391 GE Socket and Terminal435RANGE ONLY 40W 120V APPL BULB436GEN WR02X7736438GEN WR02X8655438GEN WR02X7476439GEN WR17X2922442GEN WR17X10060443GEN WR02X8570447GEN WR02X8534448GEN WR13X0644450GEN WR02X4194451GEN WR13X0746452SHIM HINGE BTM.452GEN WR02X7011453GEN WR40X1734454GEN WR40X1735455GEN WR40X1736457GEN WR40X1737458GEN WR02X9376458GEN WR40X1739458GEN WR02X10334490GEN WR02X10114491GEN WR17X10250552WR01X10600 GE Refrigerator Screw 12-24 Tapping Hex .811 S Z560GEN WR01X2140578WZ2X464D GE Screw609WR23X37285 GE Light Switch789GEN WR17X10132790MWFP GE Replacement Water Filter Pureline for Refrigerator791GEN WR02X10173792GEN WR17X10237810WR17X4358 GE Refrigerator Water Tank812WR17X2891 GE Refrigerator 5/16" X 6FT Plastic Water Line Tubing