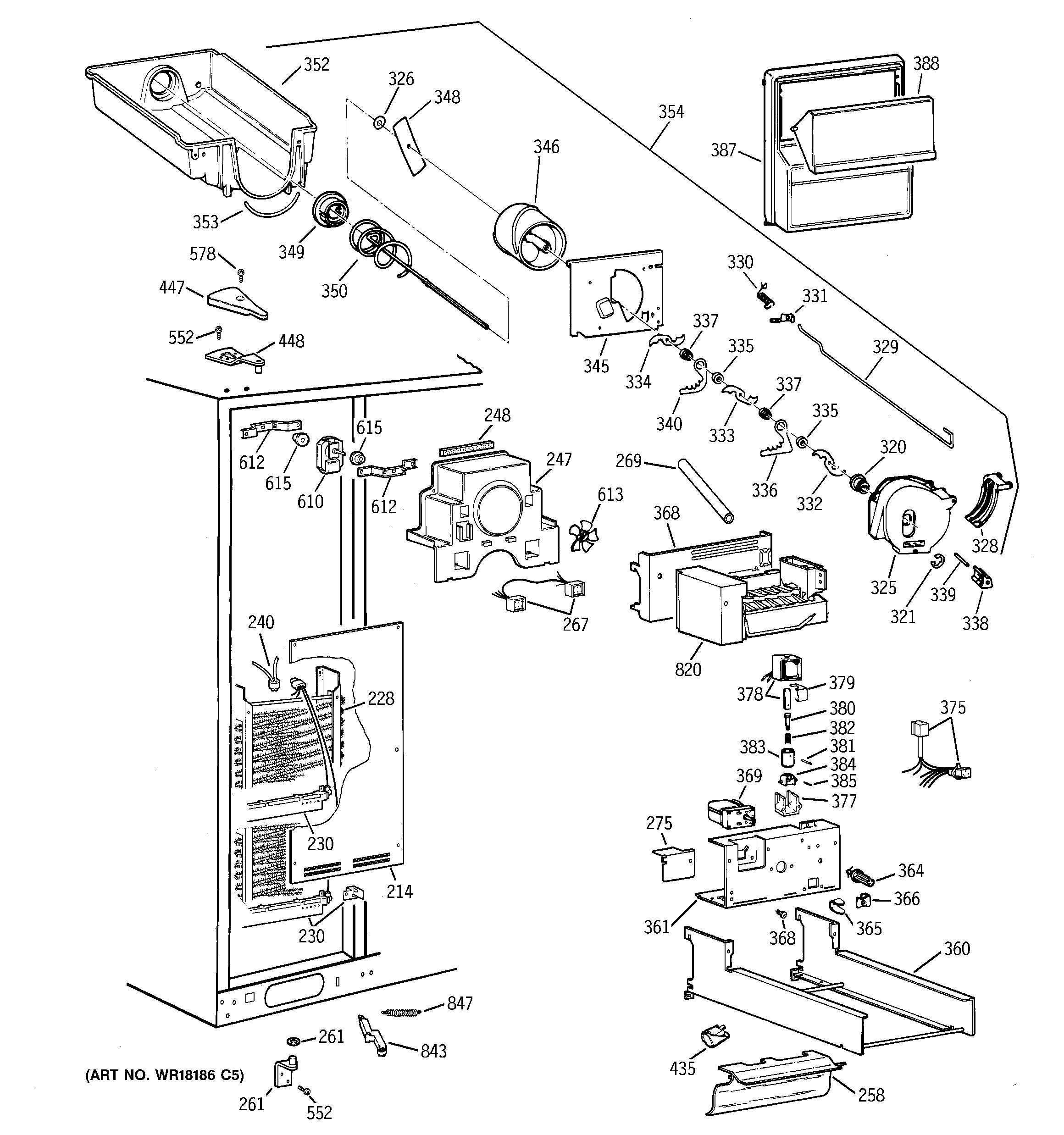
TFX30PBZCWW FREEZER SECTION

TFX30PBZCWW FREEZER SECTION

Products

PositionProduct
214GEN WR17X3835
228GEN WR85X0306
230WR51X443 GE Refrigerator Defrost Heater with Bi-metal
230GEN WR02X8647
240WR50X122 GE Refrigerator Defrost Bi-metal Thermostat
247GEN WR17X3846
248GEN WR14X0460
258GEN WR17X10043
261GEN WR13X0696
261GEN WR01X2033
267GEN WR23X10034
269GEN WR02X7927
275GEN WR01X2018
320GEN WR01X1585
321WR1X1367D GE Refrigerator Return Package 12
325WR17X2061 GE Refrigerator Crush Dispenser
326GEN WR01X1366
328GEN WR02X4561
328DEFLECTOR ICE DISP
328WR2X4143 GE Refrigerator Pivot
329GEN WR17X3853
330GEN WR02X4145
331GEN WR02X4251
332WR17X1361 GE Refrigerator Blades Moving Display
333WR17X1362 GE Refrigerator Middle Blade
334WR17X1363 GE Refrigerator Blades Moving Display
335GEN WR02X4139
336GEN WR17X1009
337WR2X4138 GE Refrigerator Spacer
338WR2X4140 GE Refrigerator Blade Rest
339GEN WR02X4141
340WR17X2058 GE Refrigerator Dispenser Blade
345PLATE FRONT DISP
346WR17X4207 GE Refrigerator Front Helix
348GEN WR02X7351
349WR2X4550 GE Refrigerator Drive Cup
350GEN WR17X4314
352GEN WR30X0313
353WR2X7905 GE Refrigerator Bucket Seal
354GEN WR17X4313
360GEN WR71X2529
361GEN WR17X10070
364GEN WR02X7310
365GEN WR02X4854
366GEN WR01X1547
368WR01X10618 GE Refrigerator Screw 8-18 TPT 1/4
368GEN WR02X10011
369WR60X10262 GE Refrigerator Motor Crusher Dispenser
375GEN WR23X10033
377WR2X7309 GE Refrigerator Solenoid Cushion
381WR62X23154 GE Refrigerator Ice Dispenser Solenoid Kit
382WR62X26536 GE Refrigerator Armature Kit
387GEN WR17X10041
388GEN WR17X3838
435WR2X9391 GE Socket and Terminal
435RANGE ONLY 40W 120V APPL BULB
447GEN WR02X9434
447GEN WR02X9433
448HINGE TOP & PIN ASM FZ
448HINGE TOP & PIN ASM FF
552WR01X10631 GE Screw
578WZ2X464D GE Screw
610GEN WR60X0190
612GEN WR02X8549
613WR60X114 GE Refrigerator Evaporator Motor Fan Blade
615GEN WR02X7391
820WR30X10093 GE Refrigerator Ice Maker
843GEN WR11X0170
847WR1X2027 GE Refrigerator Spring Closure