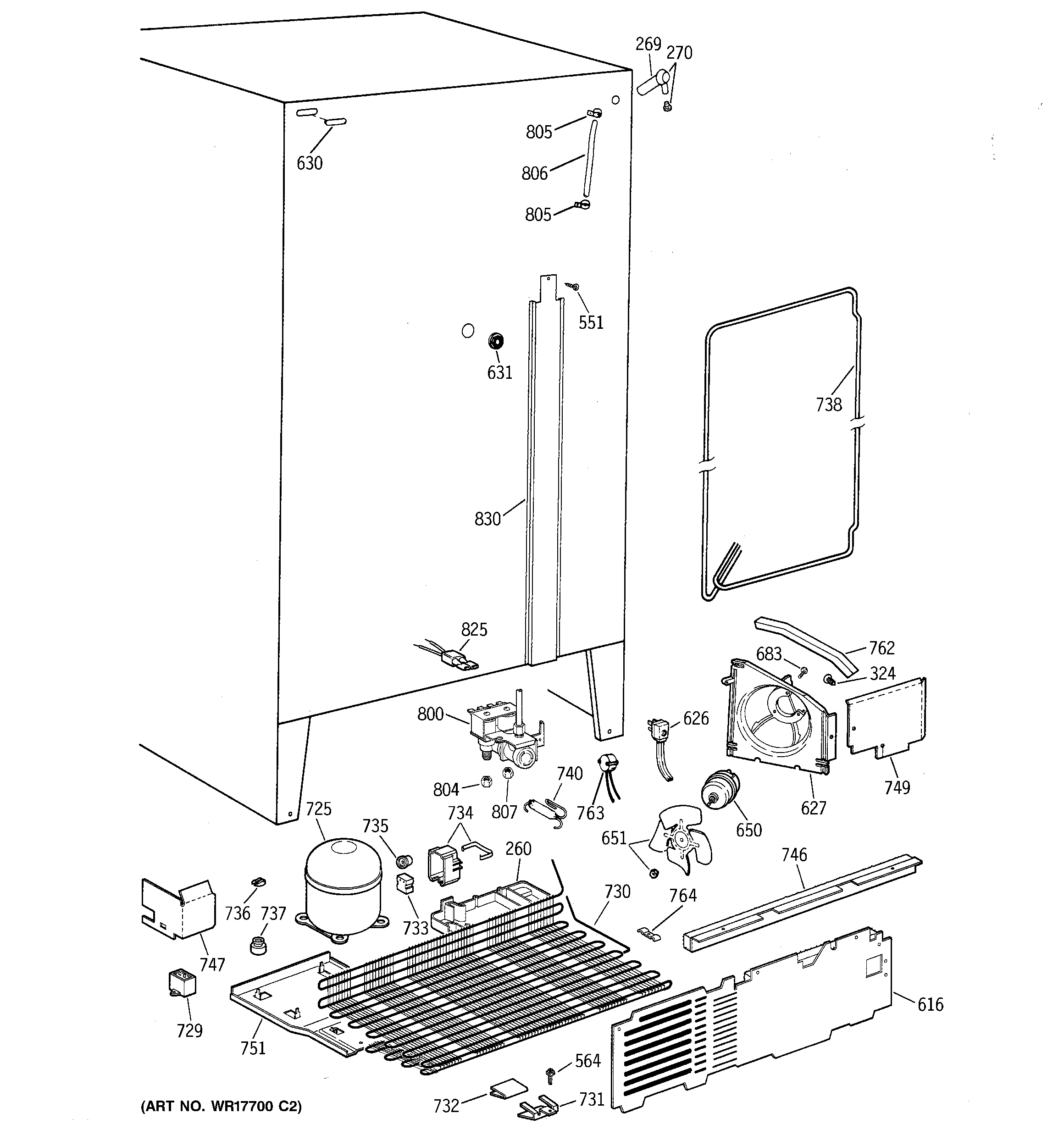
| 260 | GEN WR32X1125 |
| 269 | GEN WR02X6087 |
| 270 | WR2X4754 GE Refrigerator Fill Clamp |
| 270 | WR2X8474 GE Fill Tube |
| 324 | PLUG BUTTON LG WH |
| 551 | GEN WZ04X0244 |
| 564 | GEN WR01X1194 |
| 616 | GEN WR82X0312 |
| 626 | WR1X5278 GE Refrigerator Cable Clamp |
| 626 | WR23X10300 GE Refrigerator Power Cord Assembly |
| 627 | GEN WR17X2916 |
| 630 | WR2X4097 GE Button Plug |
| 631 | GEN WR02X4968 |
| 631 | GEN WR02X4829 |
| 650 | WR60X187 GE Refrigerator Condenser Fan Motor |
| 651 | WASHER COND MTR |
| 651 | GEN WR01X1515 |
| 651 | GEN WR60X0186 |
| 725 | WR87X10082 GE Refrigerator Compressor Replacement Kit |
| 730 | GEN WR84X0159 |
| 731 | GEN WR02X8370 |
| 732 | GEN WR02X8291 |
| 733 | GEN WR07X0195 |
| 734 | GEN WR02X7928 |
| 734 | GEN WR02X7929 |
| 735 | GEN WR08X0117 |
| 736 | WR2X8583 GE Refrigerator Clip |
| 737 | GEN WR02X7238 |
| 738 | GEN WR84X0109 |
| 738 | WR2X7064 GE Refrigerator Condenser Clip |
| 740 | WR86X25269 GE Refrigerator R134 Dryer |
| 746 | GEN WR17X2703 |
| 747 | GEN WR17X2680 |
| 749 | GEN WR17X2702 |
| 751 | GEN WR17X2701 |
| 762 | GEN WR02X7493 |
| 764 | GEN WR02X8222 |
| 800 | WR57X10051 GE Refrigerator Water Valve Kit |
| 804 | INSERT 5/16 |
| 804 | WR57X57 GE Refrigerator Nut |
| 806 | WR17X11349 GE Refrigerator Plastic Tube |
| 807 | WR02X11330 GE Refrigerator 5/16 Union Water Line Connector |
| 825 | GEN WR23X0305 |
| 830 | GEN WR17X2602 |