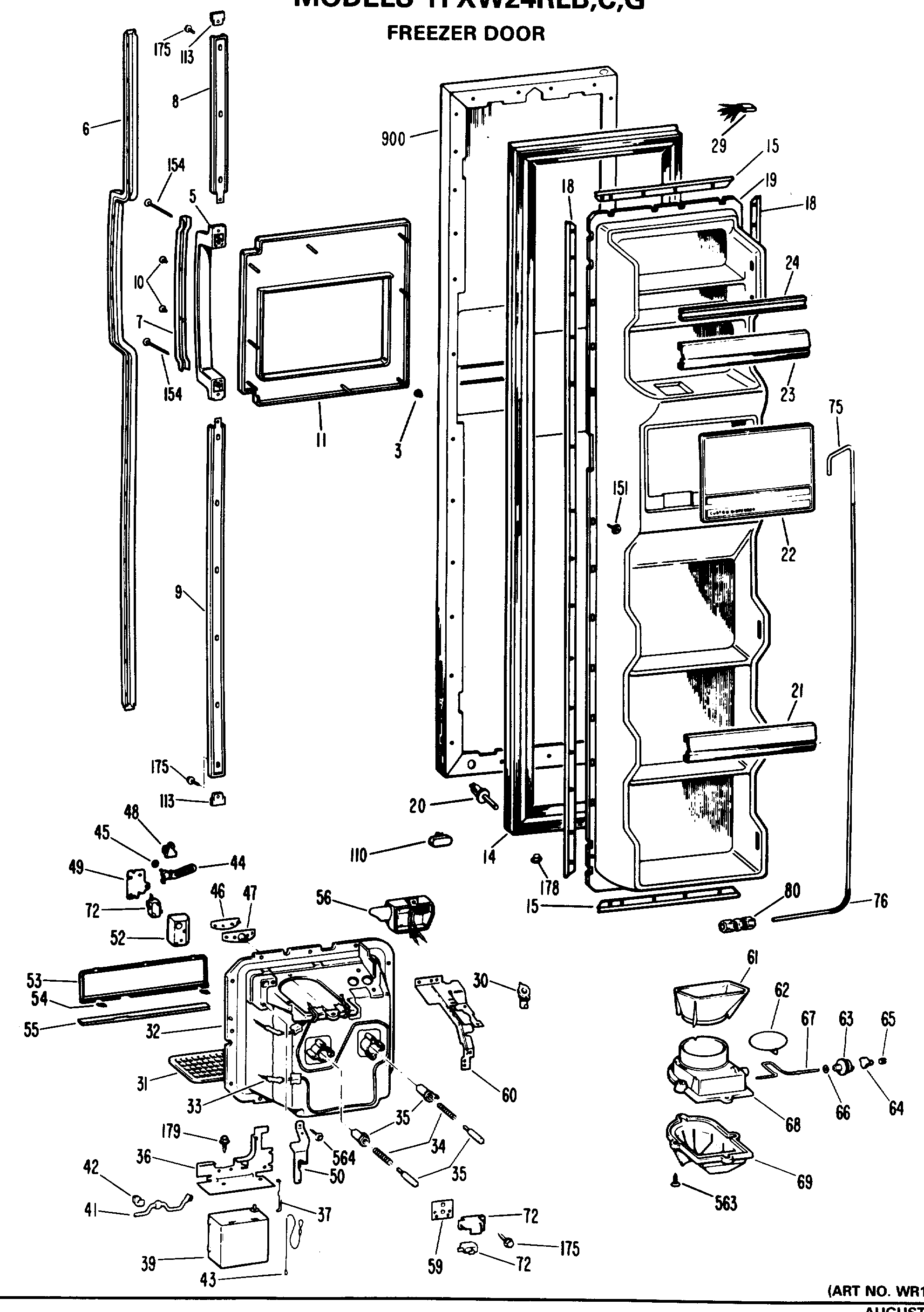
TFXW24RLB FREEZER DOOR

TFXW24RLB FREEZER DOOR