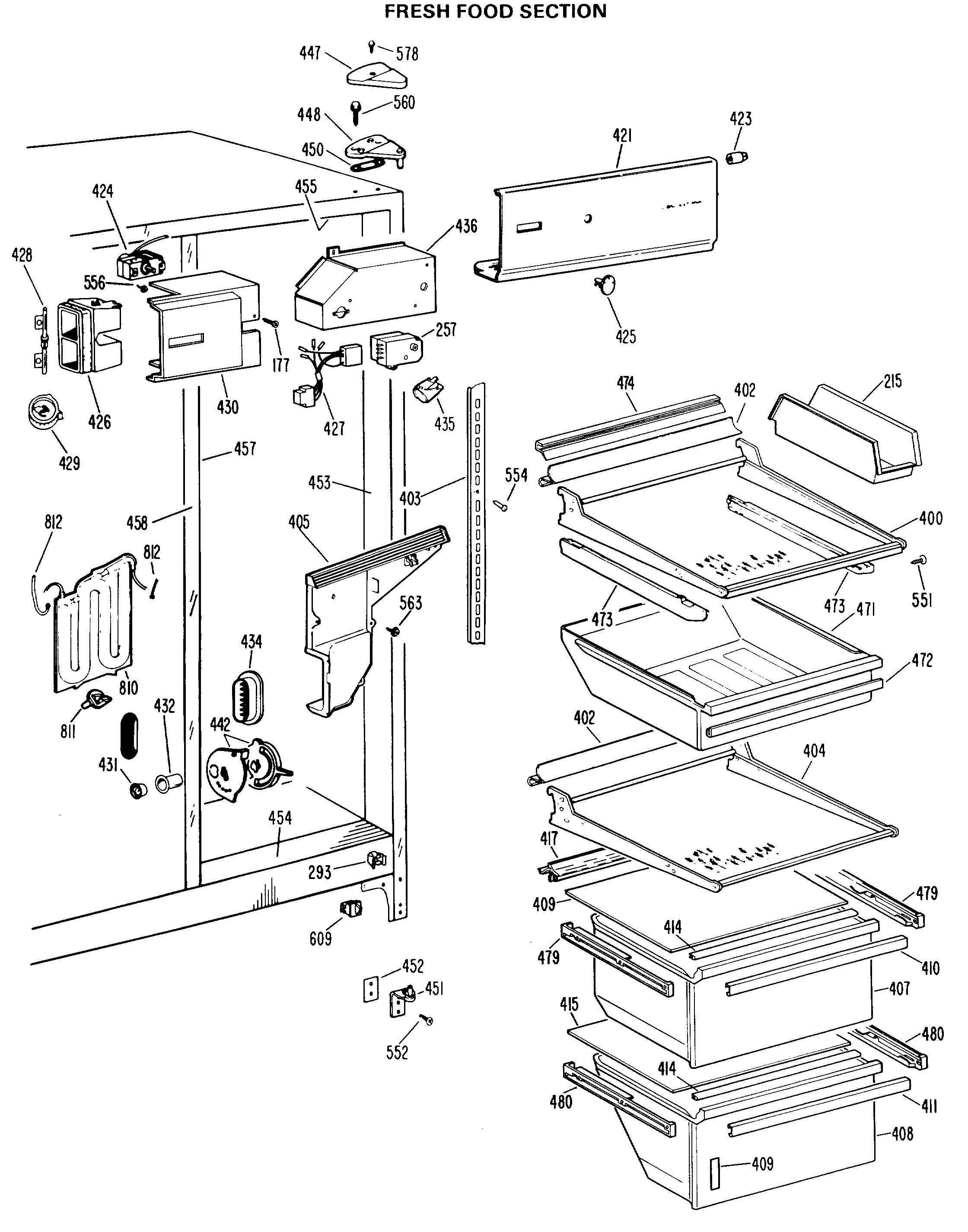
TFXW24RLJ FRESH FOOD SECTIONadmin2025-04-26T10:38:54+00:00TFXW24RLJ FRESH FOOD SECTION ProductsPositionProduct177SCREW215GEN WR32X0897257DEFROST TIMER257SCR 6-32 D TR 3/8 SS293GEN WR02X7080400GEN WR71X1969402GEN WR38X1355403GEN WR72X0119404GEN WR71X1970405GEN WR14X0264405GEN WR17X1523407GEN WR32X0997408GEN WR32X0996409GEN WR32X1046409GEN WR02X7214410GEN WR17X2586411GEN WR17X2587414GEN WR14X0339415GEN WR32X0886417GEN WR02X7359421GEN WR17X2692423GEN WR02X6347424GEN WR09X0442425GEN WR02X7157426GEN WR14X0369426GEN WR02X4834426GEN WR02X8043427GEN WR23X0316428GEN WR02X4835429GEN WR02X4836430GEN WR17X2209431GEN WR02X6146432GEN WR02X3886434GEN WR02X4542435WR2X9391 GE Socket and Terminal435RANGE ONLY 40W 120V APPL BULB436GEN WR02X7736442GEN WR02X7035447GEN WR02X8262448GEN WR13X0601450GEN WR02X4194451WR13X10020 GE Refrigerator Door Hinge Assembly with Cam452NUTSTRIP HINGE453GEN WR40X1631454GEN WR40X1629455GEN WR40X1635457GEN WR40X1640458GEN WR40X1576458GEN WR02X7033458GEN WR02X4739458GEN WR02X7031471GEN WR32X1079472GEN WR38X1361473GEN WR17X2367473GEN WR17X2368474GEN WR14X0282479GEN WR72X0087479WR72X207 GE Refrigerator Left Hand Slide Assembly480GEN WR72X0085480GEN WR72X0084551GEN WZ04X0244552SCR 12-24 TT HXW 1 3/64S554GEN WR01X1483556SCR 8-32 MA TR 1/4 SS560GEN WR01X1249563WZ4X241D GE Screw Package578WZ2X464D GE Screw609WR23X37285 GE Light Switch810WATER TANK DISPENSER ASM811GEN WR02X4469812WR17X1483 GE Refrigerator Tube Replacement Pack