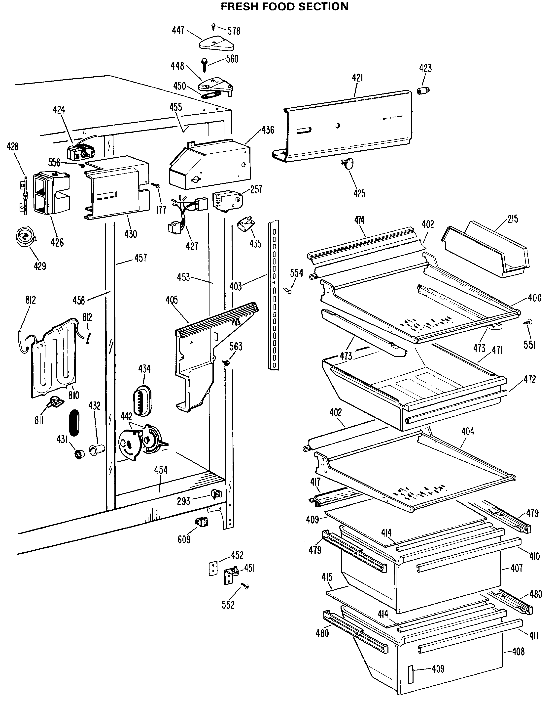
TFXW24RLK FRESH FOOD SECTION