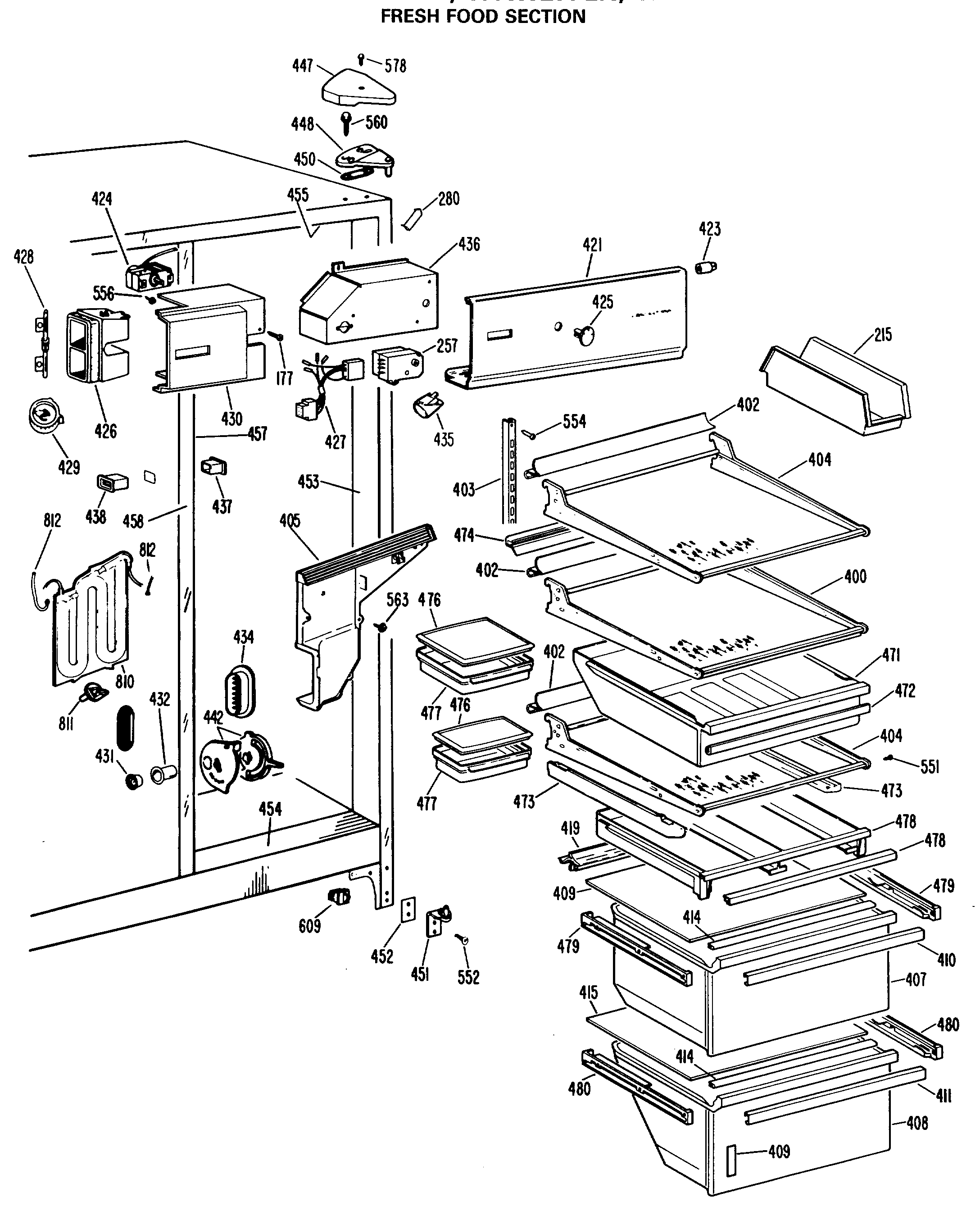
TFXW27FLN FRESH FOOD SECTIONadmin2025-04-26T10:38:46+00:00TFXW27FLN FRESH FOOD SECTION ProductsPositionProduct177SCREW215GEN WR32X0897257DEFROST TIMER257SCR 6-32 D TR 3/8 SS400GEN WR71X1969402GEN WR38X1355403GEN WR72X0104404GEN WR71X1970405GEN WR17X1523405GEN WR14X0264407GEN WR32X0997408GEN WR32X0996409GEN WR32X1046409GEN WR02X8375410GEN WR17X2586411GEN WR17X2587414GEN WR14X0339415GEN WR32X0886419GEN WR14X0341421GEN WR17X2692423GEN WR02X6347425GEN WR02X7157426GEN WR14X0369426GEN WR02X8043426GEN WR02X4834427GEN WR23X0316428GEN WR02X4835429GEN WR02X4836430GEN WR17X2209431GEN WR02X6146432GEN WR02X3886434GEN WR02X7367435WR2X9391 GE Socket and Terminal435RANGE ONLY 40W 120V APPL BULB436GEN WR02X7736437GEN WR02X7476438GEN WR02X8064442GEN WR02X3884442GEN WR02X7035442KNOB CONTROL447GEN WR02X8333448GEN WR13X0599450GEN WR02X4194451GEN WR13X0582452SHIM HINGE BTM.452NUTSTRIP HINGE453GEN WR40X1623454GEN WR40X1621455GEN WR40X1627457GEN WR40X1625458GEN WR02X7033458GEN WR02X4739458GEN WR40X1620458GEN WR02X7031471GEN WR32X1079471WR2X8349 GE Screw Grommet472GEN WR38X1361473GEN WR17X2368473GEN WR17X2367474GEN WR14X0282476GEN WR02X8021476GEN WR02X8022477GEN WR17X2827478GEN WR38X1358478GEN WR71X1881479WR72X207 GE Refrigerator Left Hand Slide Assembly479GEN WR72X0155480GEN WR72X0144480GEN WR72X0145551GEN WZ04X0244552SCR 12-24 TT HXW 1 3/64S554GEN WR01X1483556SCR 8-32 MA TR 1/4 SS560GEN WR01X1249563WZ4X241D GE Screw Package578WZ2X464D GE Screw609WR23X37285 GE Light Switch810WATER TANK DISPENSER ASM811GEN WR02X4469812WR17X1483 GE Refrigerator Tube Replacement Pack