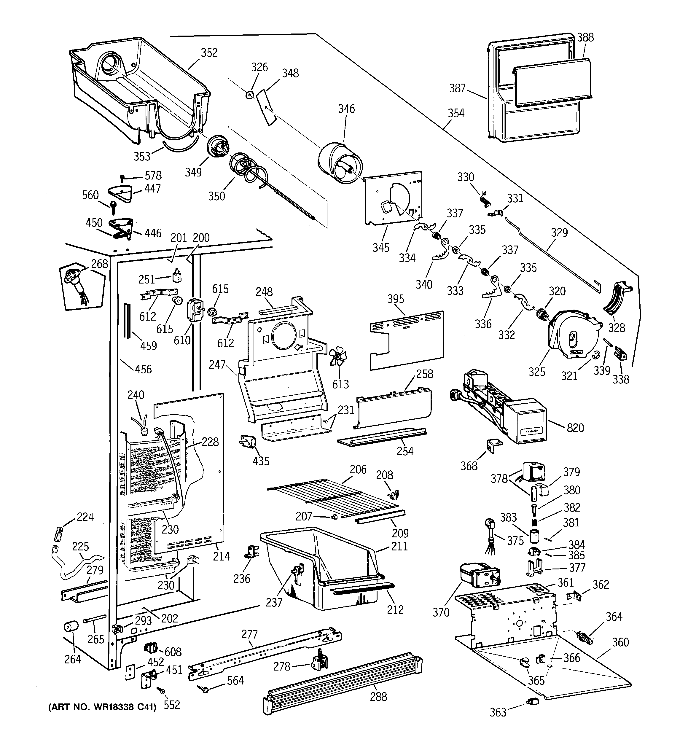
TFZ22JRBCWW FREEZER SECTIONadmin2025-04-26T10:40:32+00:00TFZ22JRBCWW FREEZER SECTION ProductsPositionProduct200GEN WR40X1741201GEN WR40X1742202GEN WR40X1743206GEN WR71X1888207GEN WR02X4676208GEN WR02X4674209GEN WR38X2151211GEN WR21X0183212GEN WR38X2149214GEN WR14X0455214GEN WR17X4066214GEN WR01X10064224GEN WR02X8657225GEN WR02X8293225GEN WR01X5042228WR87X28949 GE Refrigerator Evaporator230GEN WR02X8671230GEN WR51X10021231GEN WR17X3666231GEN WR01X2110231GEN WR01X1987236GEN WR02X4548237GEN WR02X7036240WR50X122 GE Refrigerator Defrost Bi-metal Thermostat247GEN WR02X4845247GEN WR17X3483248GEN WR14X0272251GEN WR02X2880254GEN WR17X4275258GEN WR17X3484264WR2X3594 GE Refrigerator Wheel265GEN WR02X4742265GEN WR02X3595268GEN WR23X0312277GEN WR17X3136278WHEEL ASM FRT279GEN WR17X10057288GEN WR74X0217293GEN WR02X7080320GEN WR01X1585321GEN WR01X1990325WR17X2061 GE Refrigerator Crush Dispenser326GEN WR01X1991328GEN WR02X9164328DEFLECTOR ICE DISP328GEN WR02X4561329GEN WR17X3737330GEN WR02X4145331GEN WR02X9165332GEN WR17X3740333GEN WR17X3741334GEN WR17X3742335GEN WR02X4139336GEN WR17X3739337WR2X4138 GE Refrigerator Spacer338WR2X4140 GE Refrigerator Blade Rest339GEN WR02X4141340GEN WR17X3738345GEN WR17X3728346WR17X4207 GE Refrigerator Front Helix348GEN WR02X7351349WR2X4550 GE Refrigerator Drive Cup350GEN WR17X4341352GEN WR30X0257353WR2X7905 GE Refrigerator Bucket Seal354GEN WR17X4345360GEN WR02X8730360GEN WR71X2509361GEN WR71X2518362GEN WR02X9166363GEN WR02X8952364GEN WR02X7310365GEN WR02X4854366GEN WR01X1547368GEN WR02X8459370GEN WR60X0201375GEN WR23X0415377WR2X7309 GE Refrigerator Solenoid Cushion378WR62X10054 GE Refrigerator Solenoid & Arm Assembly381WR62X23154 GE Refrigerator Ice Dispenser Solenoid Kit382WR62X26536 GE Refrigerator Armature Kit387GEN WR17X10333388WR17X10273 GE Refrigerator Door Ice Storage395GEN WR17X10179435WR2X9014 GE Refrigerator Socket & Terminal C02435WR02X12207 GE Refrigerator Net Bulb Light446GEN WR13X10055447GEN WR02X8262450GEN WR02X4194451WR13X10020 GE Refrigerator Door Hinge Assembly with Cam456GEN WR40X1747459GEN WR14X0479552WR01X10600 GE Refrigerator Screw 12-24 Tapping Hex .811 S Z560GEN WR01X2140564GEN WR01X1194578WZ2X464D GE Screw608GEN WR23X