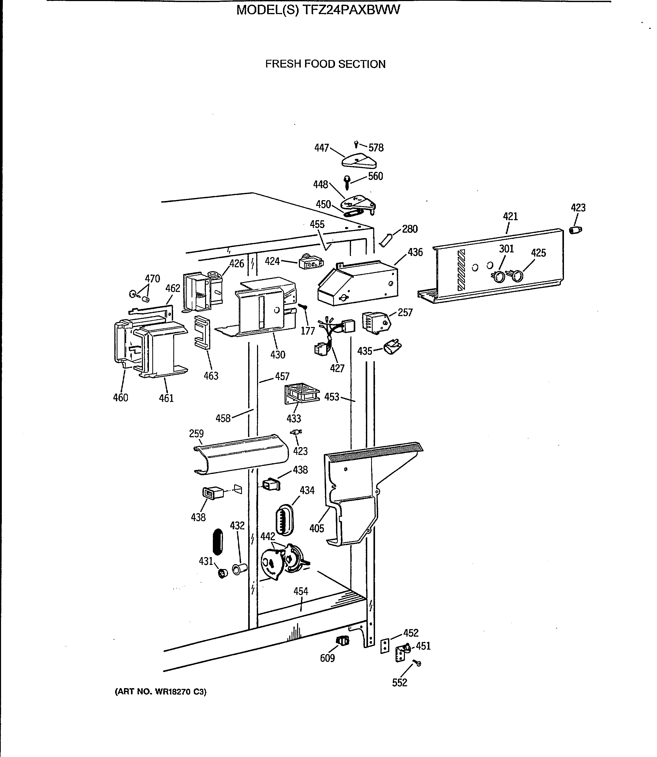
TFZ24PAXBWW FRESH FOOD SECTIONadmin2025-04-26T10:42:48+00:00TFZ24PAXBWW FRESH FOOD SECTION ProductsPositionProduct177SCREW257GEN WR09X0541259GEN WR17X4077280GEN WR02X8518301GEN WR02X9215405GEN WR17X3890421GEN WR17X4078423GEN WR02X6347424GEN WR02X8914424GEN WR09X0530425GEN WR02X9216426GEN WR09X0568427GEN WR23X0444430GEN WR17X3416431WR2X9299 GE Refrigerator Air Duct Cap Mullion432GEN WR02X8654433GEN WR60X0246434GEN WR02X9431435WR02X12207 GE Refrigerator Net Bulb Light435WR2X9014 GE Refrigerator Socket & Terminal C02436GEN WR02X8909438GEN WR02X8655438GEN WR02X7476442GEN WR02X3884442GEN WR02X8840447GEN WR02X8262448GEN WR13X0743450GEN WR02X4194451WR13X10020 GE Refrigerator Door Hinge Assembly with Cam452NUTSTRIP HINGE452SHIM HINGE BTM.453GEN WR40X1744454GEN WR40X1745455GEN WR40X1746457GEN WR40X1756458GEN WR02X4739458GEN WR02X7033458GEN WR02X9376458GEN WR40X1749460GEN WR02X8911461GEN WR02X8910461GEN WZ06X0136462GEN WR14X0442463GEN WR82X0338470GEN WR01X1929470GEN WR14X0465552GEN WR01X2078560GEN WR01X2140578WZ2X464D GE Screw609WR23X37285 GE Light Switch