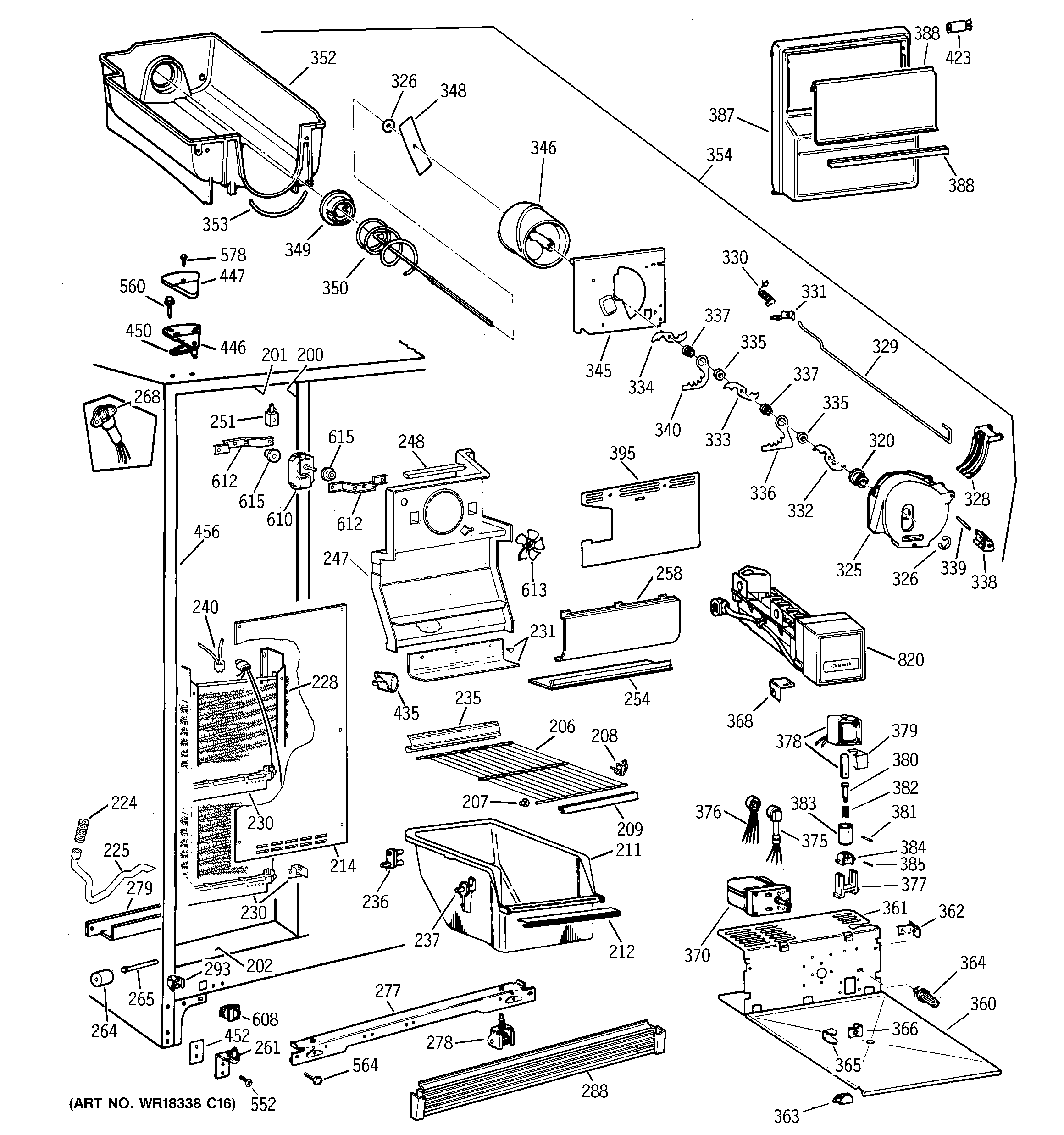
TFZ24ZFXDWH FREEZER SECTIONadmin2025-04-26T10:40:47+00:00TFZ24ZFXDWH FREEZER SECTION ProductsPositionProduct200GEN WR40X1752201GEN WR40X1753202GEN WR40X1754206WR71X1936 GE Freezer Wire Shelf207GEN WR02X4676208GEN WR02X4674209GEN WR38X2156211GEN WR21X0190212GEN WR38X2155214GEN WR14X0455214GEN WR01X2128214GEN WR17X4088224GEN WR02X8657225GEN WR02X8293225GEN WR01X5042228WR87X29147 GE Refrigerator 25' Evaporator230GEN WR02X8647230GEN WR51X0445230GEN WR55X0068231GEN WR01X1987231GEN WR01X2110231GEN WR17X3651235GEN WR38X2181236GEN WR02X4548237GEN WR02X7036240WR50X122 GE Refrigerator Defrost Bi-metal Thermostat247GEN WR02X4845247GEN WR17X3488248GEN WR14X0493251GEN WR02X2880254GEN WR17X4275258GEN WR17X3489261WR13X10020 GE Refrigerator Door Hinge Assembly with Cam264WR2X3594 GE Refrigerator Wheel265GEN WR02X3598265GEN WR02X3595265GEN WR02X4742268GEN WR23X0312277GEN WR17X2113278WHEEL ASM FRT279GEN WR17X3661288GEN WR74X0199293GEN WR02X7080320GEN WR01X1585325WR17X2061 GE Refrigerator Crush Dispenser326GEN WR01X1990326GEN WR01X1991328GEN WR02X9164328DEFLECTOR ICE DISP328GEN WR02X4561329GEN WR17X3737330GEN WR02X4145331GEN WR02X9165332GEN WR17X3740333GEN WR17X3741334GEN WR17X3742335GEN WR02X4139336GEN WR17X3739337WR2X4138 GE Refrigerator Spacer338WR2X4140 GE Refrigerator Blade Rest339GEN WR02X4141340GEN WR17X3738345GEN WR17X3733346WR17X4207 GE Refrigerator Front Helix348GEN WR02X7351349WR2X4550 GE Refrigerator Drive Cup350GEN WR17X4341352WR30X256 GE Refrigerator Ice Dispenser353WR2X7905 GE Refrigerator Bucket Seal354GEN WR17X4342360GEN WR71X2510360GEN WR02X4566361GEN WR71X2517362GEN WR02X9166363GEN WR02X8952364GEN WR02X7310365GEN WR02X4854366GEN WR01X1547368GEN WR02X8459370GEN WR60X0201375GEN WR23X0415376GEN WR23X0189377WR2X7309 GE Refrigerator Solenoid Cushion378WR62X10054 GE Refrigerator Solenoid & Arm Assembly381WR62X23154 GE Refrigerator Ice Dispenser Solenoid Kit382WR62X26536 GE Refrigerator Armature Kit387GEN WR17X4087388GEN WR17X2874388GEN WR38X1524395GEN WR17X2905423GEN WR02X6347435WR2X9014 GE Refrigerator Socket & Terminal C02435WR02X12207 GE Refrigerator Net Bulb Light446GEN WR13X0744447GEN WR02X8262450GEN WR02X4194452SHIM HINGE BTM.452SHIM HINGE BTM.