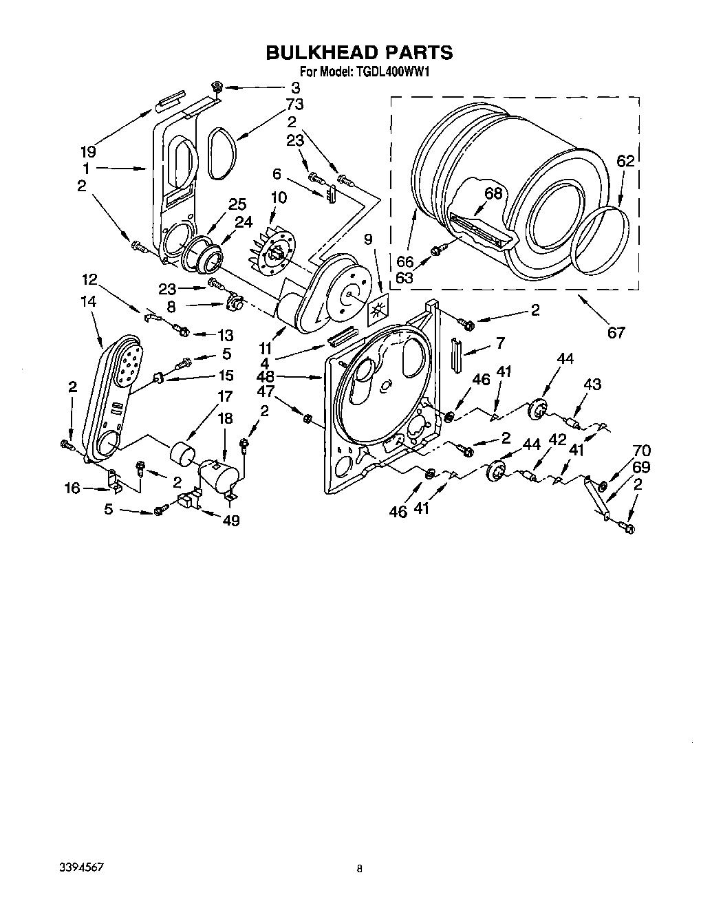
| 1 | 279505 Whirlpool Chute |
| 2 | SCREW |
| 3 | 98460 Whirlpool Nut |
| 4 | 686889 Whirlpool Pad |
| 5 | WP90767 Whirlpool Screw |
| 6 | WP3392519 Whirlpool Dryer Thermal Fuse |
| 8 | WP3387134 Whirlpool Dryer Cycling Thermostat |
| 9 | Seal, Blower |
| 10 | WP694089 Whirlpool Dryer Blower Wheel |
| 11 | Housing, Blower |
| 12 | 279771 Whirlpool Clip |
| 15 | Thermostat, 205 F (96 C) |
| 15 | Thermostat SPST (205) |
| 15 | (Alt.) |
| 16 | Support, Heater Box (2) |
| 17 | 279900 Whirlpool Box O/S1 |
| 19 | 686770 Whirlpool Support Bracket |
| 23 | WP965173 Whirlpool Dishwasher Screw |
| 24 | W11233063 Whirlpool Shield Assembly |
| 25 | W11415783 Whirlpool Seal |
| 41 | WPW10512946 Whirlpool Dryer Tri-Ring Drum Roller |
| 42 | SHAFT SUPPORT ROLLER DRYER |
| 43 | SHAFT SUPPORT ROLLER DRYER |
| 44 | 349241T Whirlpool Dryer Drum Support Roller Kit |
| 46 | WP348197 Whirlpool Washer Assembly |
| 47 | WP358160 Whirlpool Nut |
| 48 | Bulkhead |
| 49 | WP338906 Whirlpool Dryer Gas Sensor |
| 62 | WP3394508 Whirlpool Bearing Ring |
| 63 | Screw, 11-16 x 7/8 |
| 66 | 239087 Whirlpool Dryer Rear Drum Seal Green Stitches |
| 67 | 3396775 Whirlpool Drum Assembly |
| 68 | WP342847 Whirlpool Drum Baffle |
| 69 | Bracket, Support |
| 70 | WP90296 Whirlpool Clip |
| 73 | SEAL |