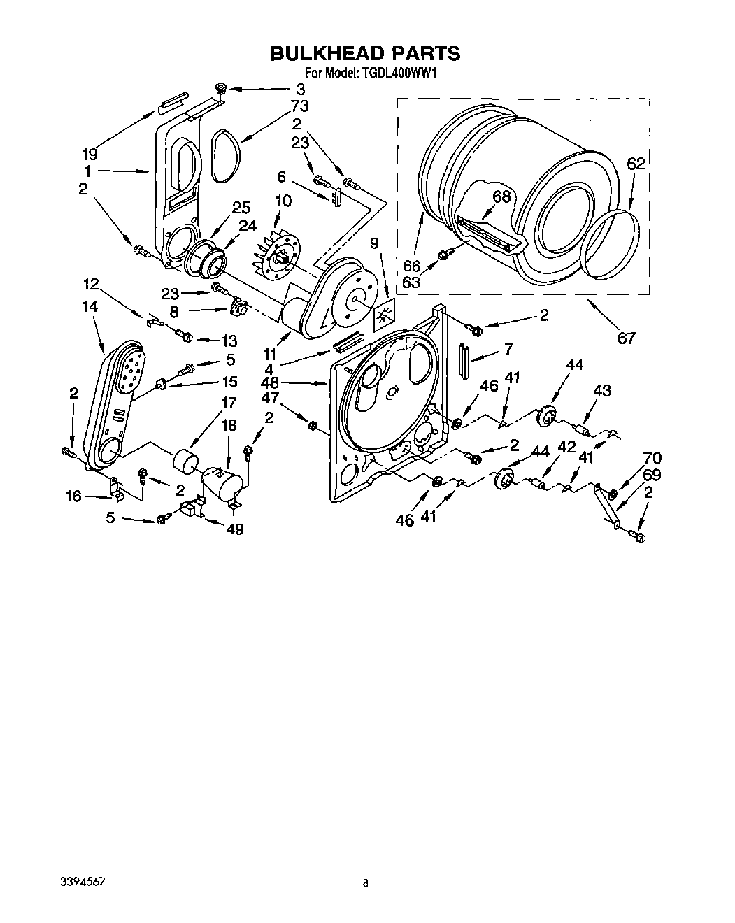
TGDL400WW1 05 – BULKHEAD