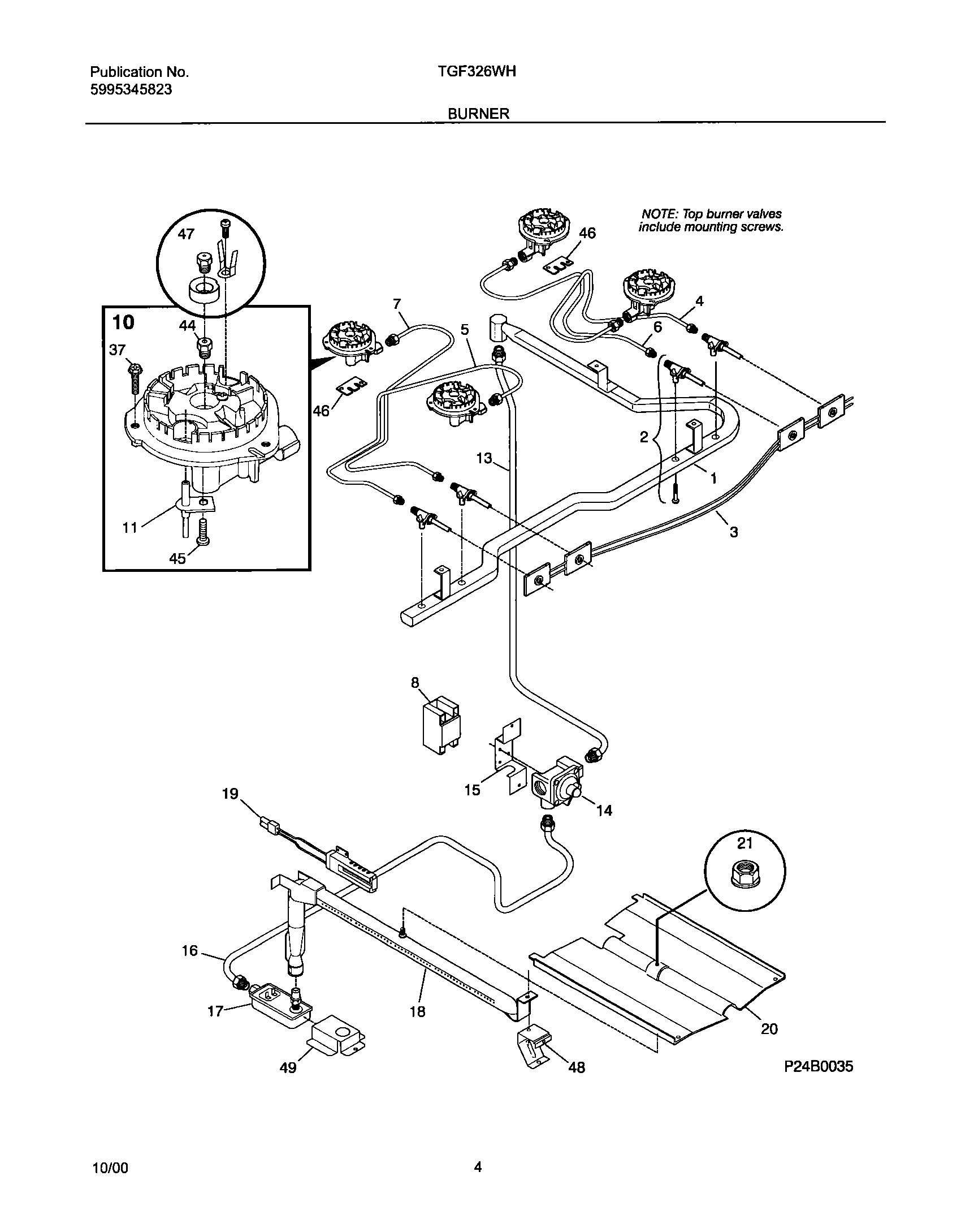
TGF326WHTD 05 – BURNER