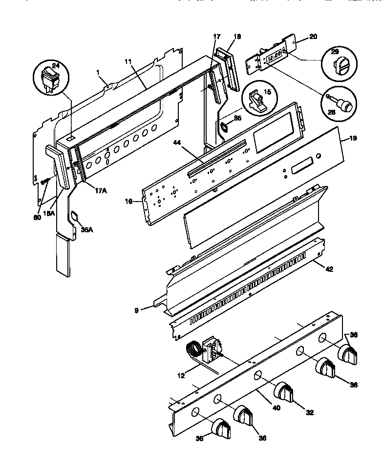
TGF330WCDA 02 – BACKGUARDadmin2025-04-26T11:57:30+00:00TGF330WCDA 02 – BACKGUARD ProductsPositionProduct*53201316021105 Frigidaire Oven Screw*53200WCI 53032815841SHIELD-BACKGUARD,REAR WALL9WCI 31604350211WCI 320476412316032411 Frigidaire Stove Temperature Control Thermostat15SUPPORT-BACKGUARD,(2)16WCI 31604260117ATRIM-GLASS RETAINER,LH17TRIM-GLASS RETAINER,RH18AWCI 530327230718WCI 530327230819WCI 31603455420WCI 5303272309245308015487 Frigidaire Switch-Oven Light28BUTTON-CLOCK29KNOB-TIMER BUTTON32WCI 31602291535CAP-RH35ACAP-LH36WCI 31602302340WCI 31608680742WCI 31608430044WCI 313146860WCI 5303289970