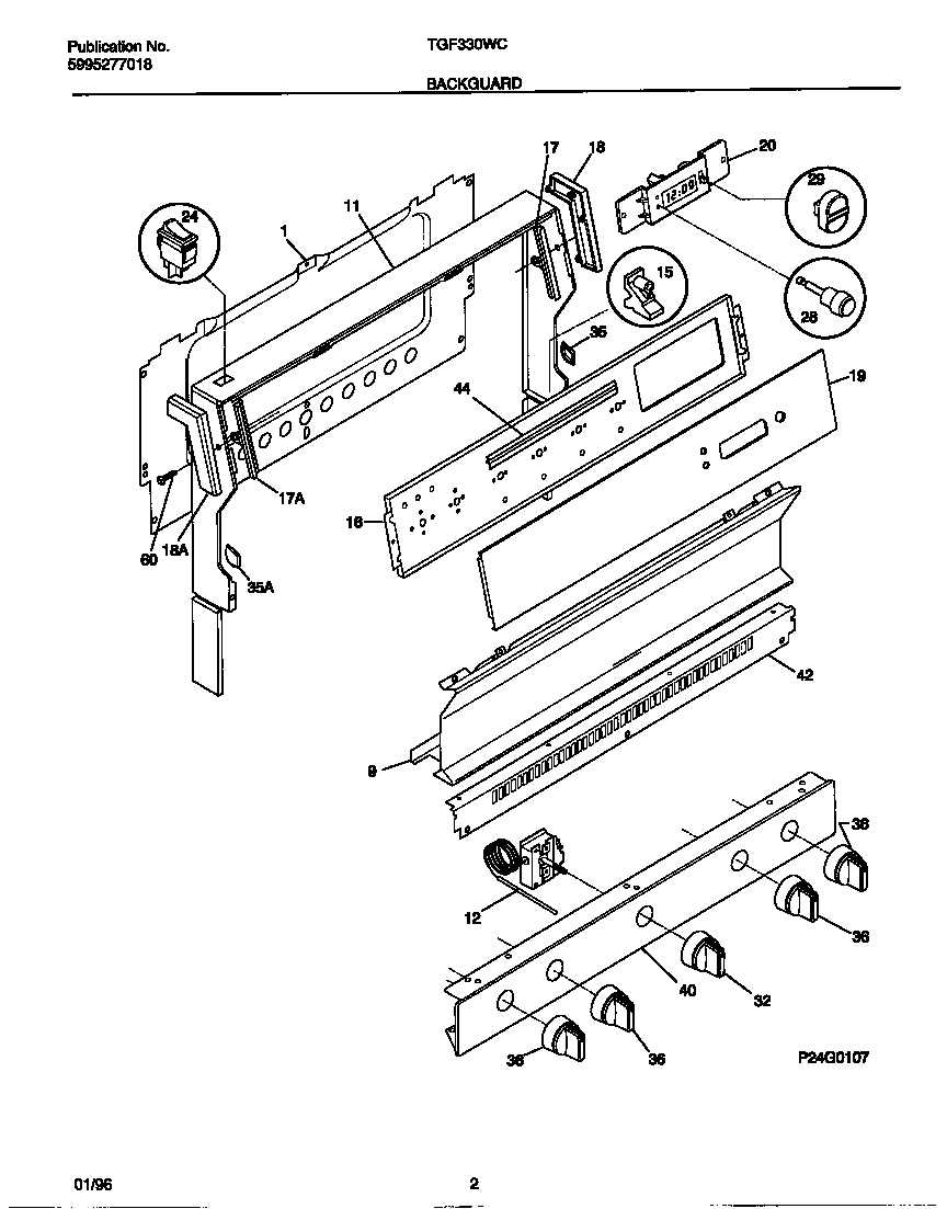
TGF330WCWB 02 – BACKGUARDadmin2025-04-26T11:57:25+00:00TGF330WCWB 02 – BACKGUARD ProductsPositionProduct*85760316021105 Frigidaire Oven Screw*85761WCI 53032815841SHIELD-BACKGUARD,REAR WALL9WCI 31604350111WCI 320475512316032411 Frigidaire Stove Temperature Control Thermostat15SUPPORT-BACKGUARD,(2)16WCI 31604260117TRIM-GLASS RETAINER,RH17TRIM-GLASS RETAINER,LH18WCI 530327230718WCI 530327230819WCI 31603455420WCI 5303272309245304527841 Frigidaire Oven Rocker Switch (Black)28BUTTON-CLOCK29KNOB-TIMER BUTTON32WCI 31602291535CAP-LH35CAP-RH36WCI 31602302340WCI 31608680742WCI 31608430044WCI 313146860WCI 5303289970