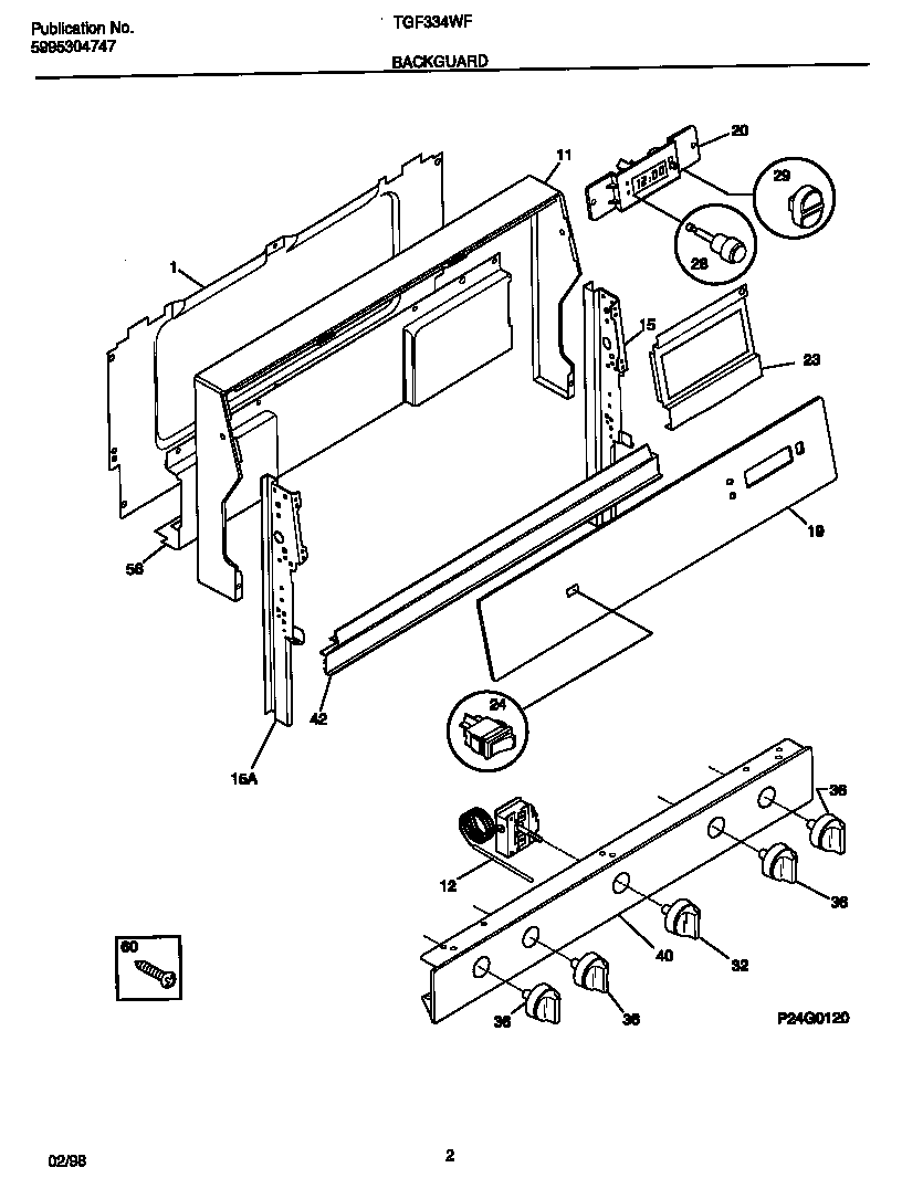
TGF334WFSD 02 – BACKGUARDadmin2025-04-26T11:59:03+00:00TGF334WFSD 02 – BACKGUARD ProductsPositionProduct*50200Screw,cup pt ,8-18 x 0.375 ,chrome1SHIELD-BACKGUARD, REAR WALL11WCI 31606184712316032411 Frigidaire Stove Temperature Control Thermostat15WCI 31602310815WCI 31602310919WCI 31608262620WCI 31609600123WCI 316079002245304527842 Frigidaire Rocker Switch28WCI 31601730329WCI 31602840232WCI 31602291636WCI 31602302140WCI 31606235442WCI 31608330056WCI 31607490760316021105 Frigidaire Oven Screw