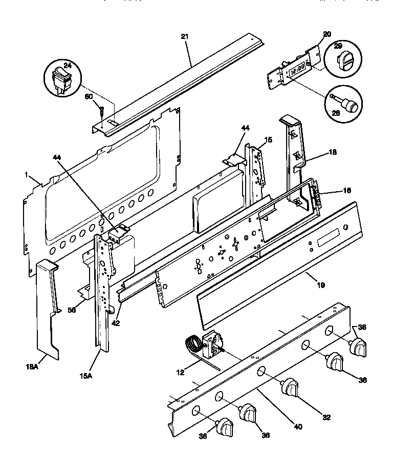
TGF335BCDA 02 – BACKGUARDadmin2025-04-26T11:58:08+00:00TGF335BCDA 02 – BACKGUARD ProductsPositionProduct*61160WCI 5303281584*61161WCI 53032885741SHIELD-BACKGUARD, REAR WALL12316032411 Frigidaire Stove Temperature Control Thermostat15AWCI 31602311115WCI 31602311016WCI 31604260118ACAP-END-LH18CAP-END-RH19WCI 31602835420WCI 530327230921WCI 5303283554245308015487 Frigidaire Switch-Oven Light28BUTTON-CLOCK29KNOB-TIMER BUTTON32WCI 31602291536WCI 31602302040WCI 31608680842WCI 530327283944WCI 530327283156WCI 31607490260316021105 Frigidaire Oven Screw