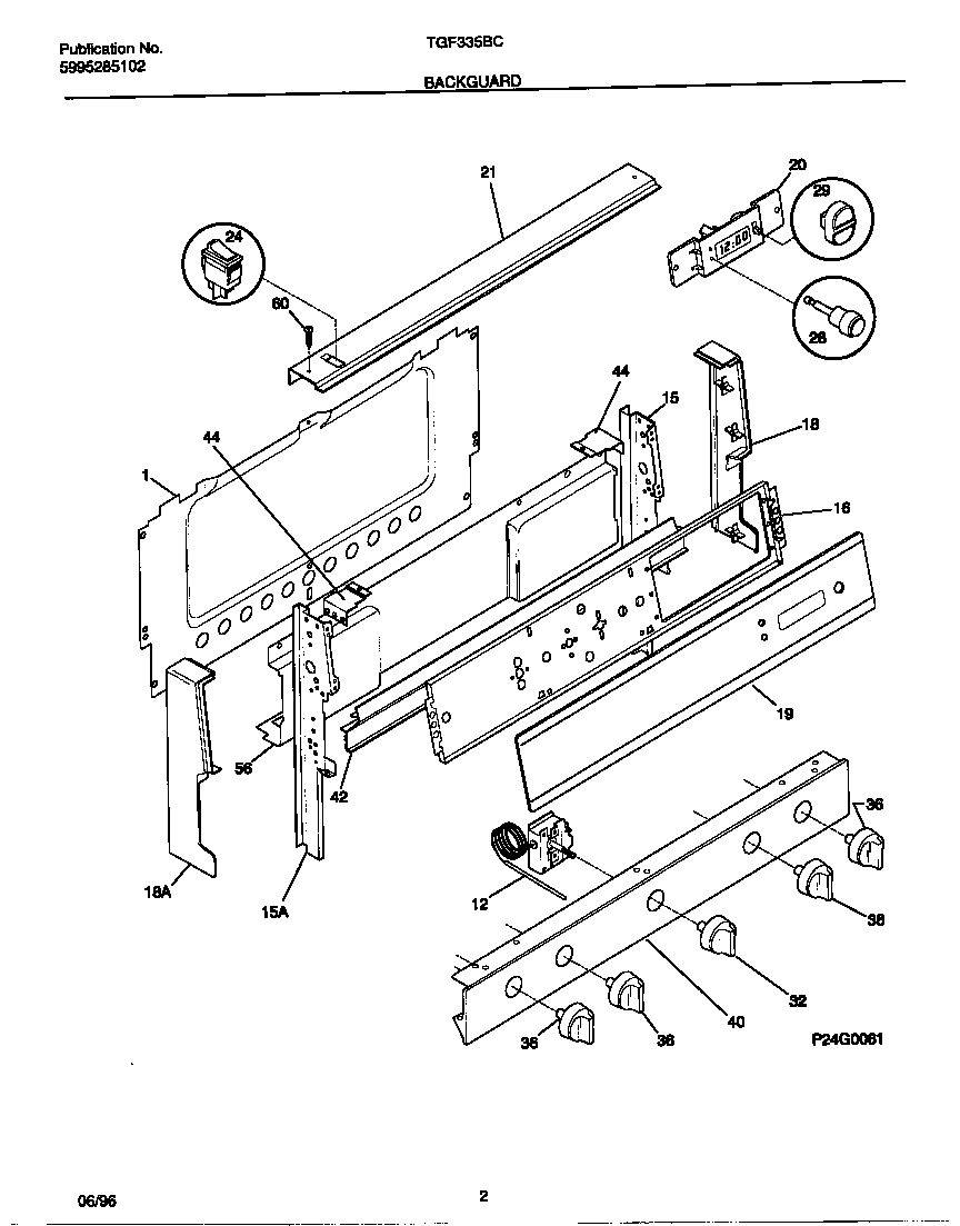
TGF335BCDC 02 – BACKGUARDadmin2025-04-26T11:58:39+00:00TGF335BCDC 02 – BACKGUARD ProductsPositionProduct*59442WCI 5303288574*59441WCI 5303281584*59440Screw,cup pt ,8-18 x 0.375 ,chrome1SHIELD-BACKGUARD, REAR WALL12316032411 Frigidaire Stove Temperature Control Thermostat15WCI 31602311015WCI 31602311116WCI 31604260118CAP-END-LH18CAP-END-RH19WCI 31602835420WCI 31609600021WCI 5303283554245308015487 Frigidaire Switch-Oven Light28BUTTON-CLOCK29KNOB-TIMER BUTTON32WCI 31602291536WCI 31602302040WCI 31608680842WCI 530327283944WCI 530327283156WCI 31607490260316021105 Frigidaire Oven Screw