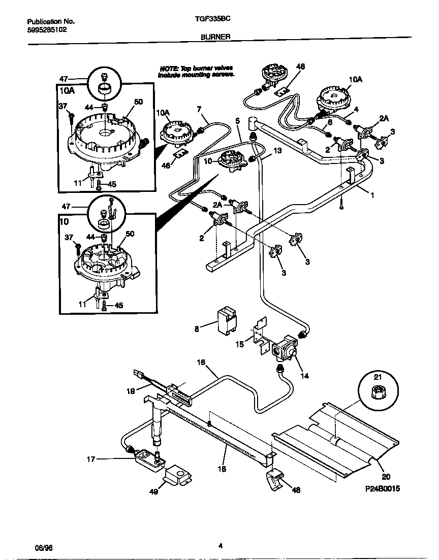
TGF335BCDC 03 – BURNER