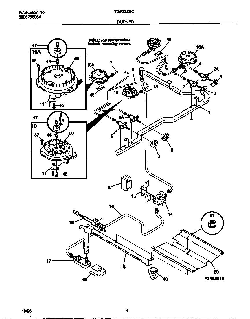
TGF335BCDD 03 – BURNER