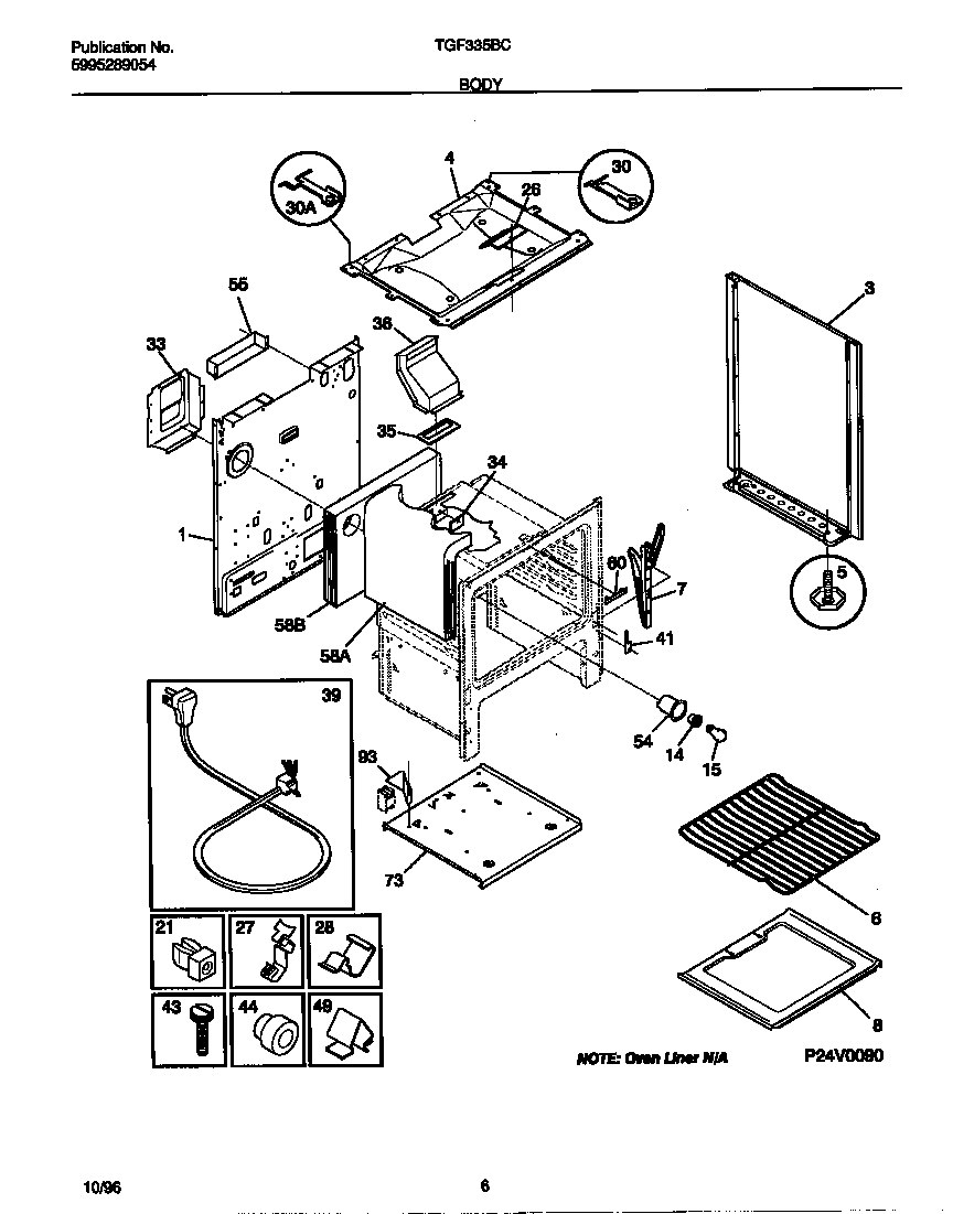
TGF335BCDD 04 – BODY