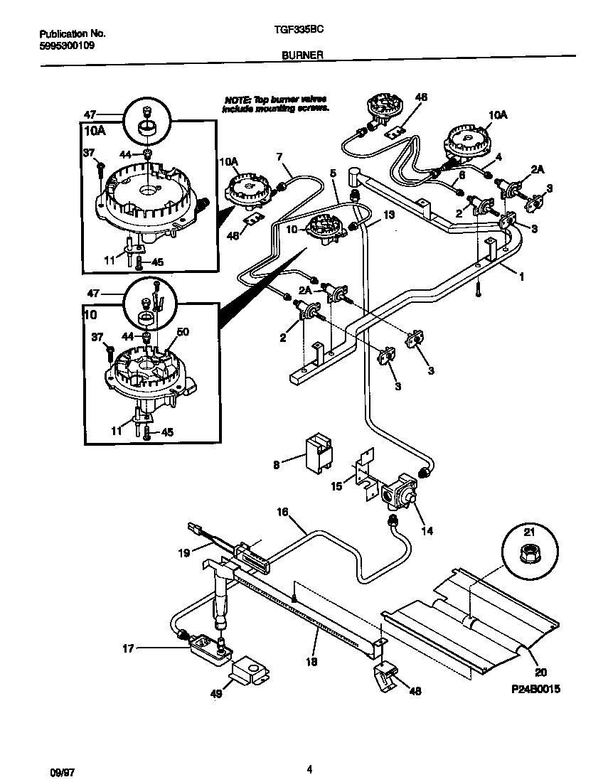
TGF335BCDE 03 – BURNER