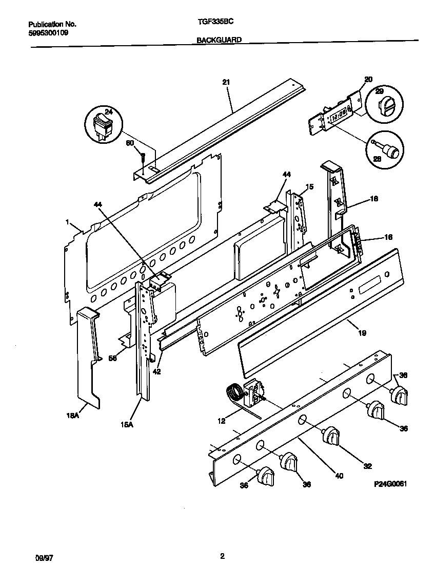
TGF335BCWE 02 – BACKGUARDadmin2025-04-26T11:59:30+00:00TGF335BCWE 02 – BACKGUARD ProductsPositionProduct*34802WCI 5303281584*34801Screw,cup pt ,8-18 x 0.375 ,chrome*34800WCI 53032885741SHIELD-BACKGUARD, REAR WALL12316032411 Frigidaire Stove Temperature Control Thermostat15WCI 31602310815WCI 31602310916WCI 31604260118CAP-END-RH18CAP-END-LH19BWCI 530327283619AWCI 31602835420WCI 31609600121WCI 5303283554245308015487 Frigidaire Switch-Oven Light28BUTTON-CLOCK29KNOB-TIMER BUTTON32WCI 31602291536WCI 31602302040WCI 31606232442WCI 530327283944WCI 530327283156WCI 31607490760316021105 Frigidaire Oven Screw