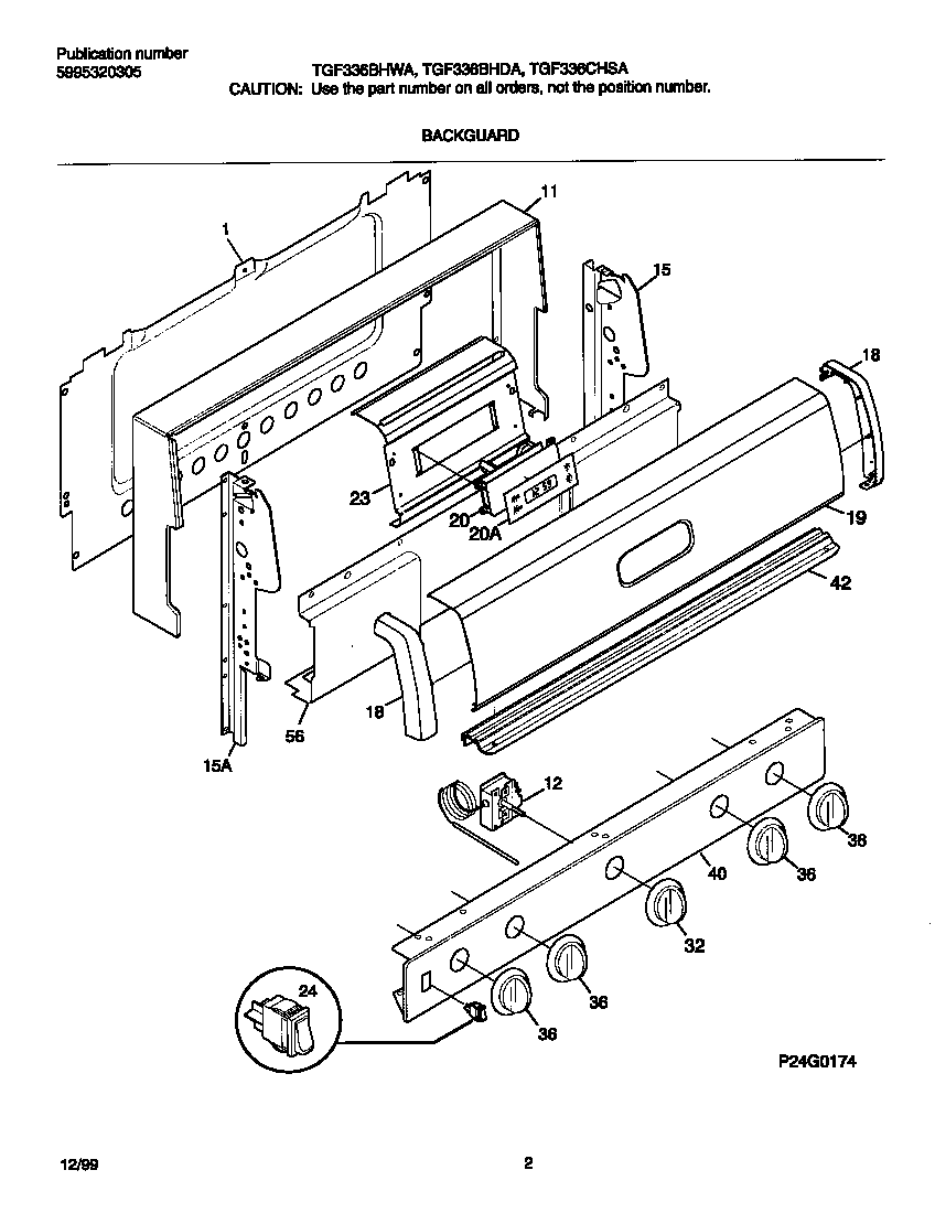
TGF336BHSA 02 – BACKGUARDadmin2025-04-26T11:57:35+00:00TGF336BHSA 02 – BACKGUARD ProductsPositionProduct*47761WCI 316002172*47763316021109 Frigidaire Oven Screw*47762Screw,cup pt ,8-18 x 0.375 ,chrome*47766WCI 316115300*47765316112500 Frigidaire Oven Template*47764WCI 3160211221SHIELD-BACKGUARD, REAR WALL11WCI 31606185711Trim-wrapper,black ,textured12316032411 Frigidaire Stove Temperature Control Thermostat15WCI 31602310915WCI 31602310818WCI 31611520118WCI 31611520018WCI 31611520518WCI 31611520419WCI 31611500719WCI 31611500520WCI 31611510020WCI 31611530220WCI 316116200245304527842 Frigidaire Rocker Switch245304527841 Frigidaire Oven Rocker Switch (Black)32WCI 31610950932WCI 31610950636KNOB-TOP VALVE,WHITE36KNOB-TOP VALVE,BLACK40WCI 31608686240WCI 31608686042TRIM-EXTRUSION53WCI 31605520256WCI 316074907