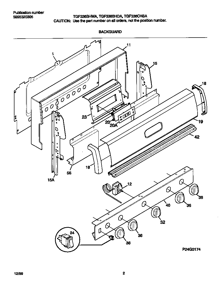
TGF336BHWA 02 – BACKGUARDadmin2025-04-26T11:58:28+00:00TGF336BHWA 02 – BACKGUARD ProductsPositionProduct*47761WCI 316002172*47763316021109 Frigidaire Oven Screw*47762Screw,cup pt ,8-18 x 0.375 ,chrome*47760COVER-OVEN FRONT*47765316112500 Frigidaire Oven Template1SHIELD-BACKGUARD, REAR WALL11Trim-wrapper,black ,textured12316032411 Frigidaire Stove Temperature Control Thermostat15WCI 31602310915WCI 31602310818WCI 31611520418WCI 31611520519WCI 31611500720WCI 31611510020WCI 31611530220WCI 316116200245304527841 Frigidaire Oven Rocker Switch (Black)32WCI 31610950636KNOB-TOP VALVE,BLACK40WCI 31608686253WCI 31605520256WCI 316074907