| NI | 316021104 Frigidaire Oven Screw Assembly |
| NI | WIRING HARNESS,IGNITOR MODU |
| NI | 316248105 Frigidaire Instructions /Lp Conversion Kit Ns |
| NI | WCI 316113400 |
| NI | WCI 08068018 |
| NI | 316215600 Frigidaire Oven Screw |
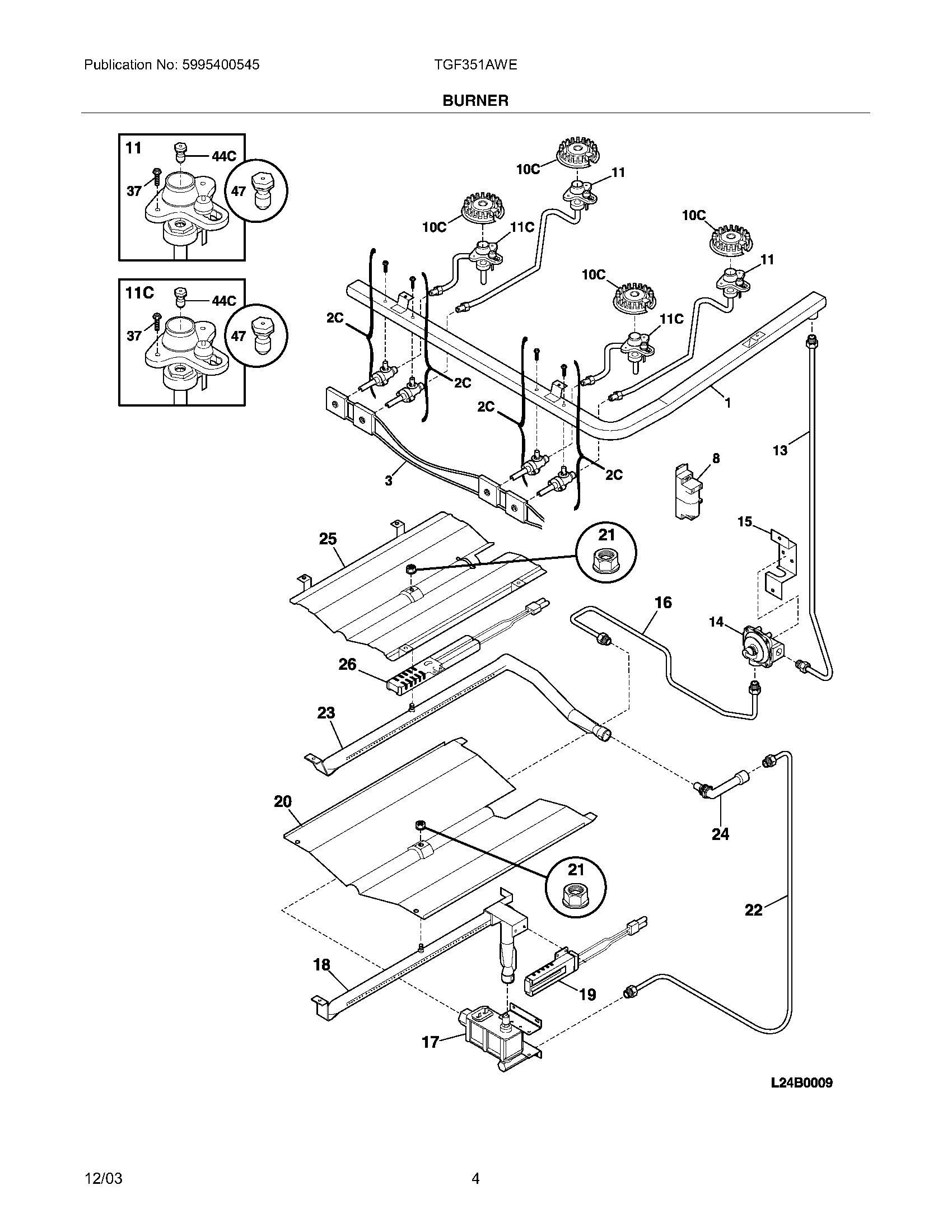
| 1 | WCI 316219500 |
| 2C | WCI 5303935234 |
| 3 | IGNITOR SWITCH WIRE HARNESS |
| 8 | 5304505695 Frigidaire Oven Module |
| 10C | 316212400 Frigidaire Oven Primary Burner |
| 11C | 316237805 Frigidaire Orifice Assembly Igniter |
| 11 | 316237704 Frigidaire Igniter/Orifice Assembly |
| 13 | WCI 316207000 |
| 14 | 5304521339 Frigidaire Regulator |
| 15 | 316091600 Frigidaire Oven Bracket |
| 16 | WCI 316065003 |
| 17 | 5303208499 Frigidaire Safety Gas Valve |
| 18 | WCI 316269000 |
| 19 | 5303935066 Frigidaire Oven Flat Igniter 17" Leads |
| 20 | BAFFLE-OVN BURNER |
| 21 | 5303013272 Frigidaire Oven Nut |
| 22 | WCI 316065002 |
| 23 | WCI 08067935 |
| 24 | WCI 316070400 |
| 25 | WCI 5303210379 |
| 26 | 5303935068 Frigidaire Flat Igniter |
| 37 | 316240600 Frigidaire Igniter Mounting Screw |
| 44C | 316237902 Frigidaire Orifice Top Burner |
| 47 | GRLP3 Frigidaire Oven LP Conversion Kit |