| NI | 316021104 Frigidaire Oven Screw Assembly |
| NI | 316215600 Frigidaire Oven Screw |
| NI | 316401500 Frigidaire Oven Cover |
| NI | 316417518 Frigidaire Instructions |
| NI | 316498100 Frigidaire Shield |
| NI | WCI 316443200 |
| NI | WCI 316526901 |
| NI | 316001017 Frigidaire Screw |
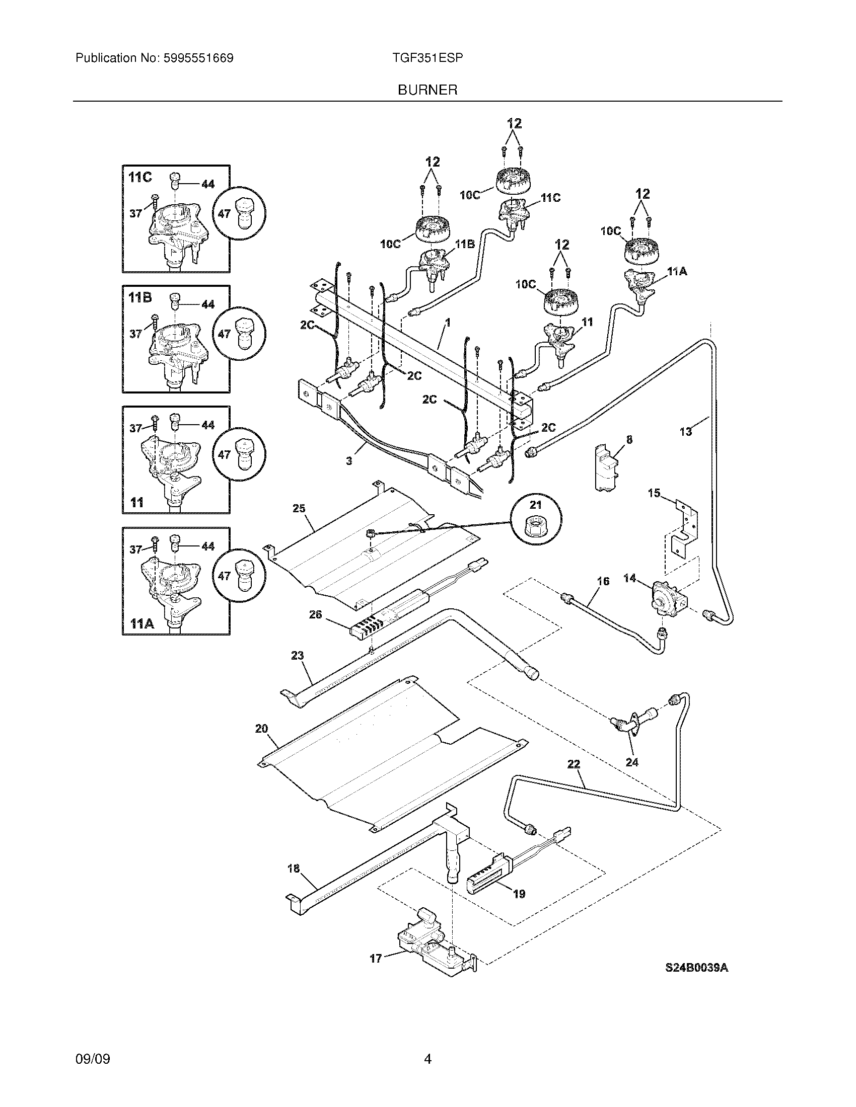
| 1 | 316417900 Frigidaire Pipe Manifold |
| 2C | 5303935305 Frigidaire Oven Valve |
| 3 | 316219019 Frigidaire Wiring Harness |
| 8 | 5304505695 Frigidaire Oven Module |
| 10C | 316558300 Frigidaire Oven 9.5L Sealed Burner |
| 11 | 316536602 Frigidaire Oven Igniter/Orifice Assembly |
| 11A | 316536600 Frigidaire Igniter Assembly |
| 12 | 316540900 Frigidaire Oven Screw |
| 13 | 316489100 Frigidaire Oven Tube |
| 14 | 5304521339 Frigidaire Regulator |
| 15 | 316091600 Frigidaire Oven Bracket |
| 16 | 5304507348 Frigidaire Oven Tube |
| 17 | 316404901 Frigidaire Oven Valve |
| 18 | 316404400 Frigidaire Oven Burner |
| 19 | 5304506545 Frigidaire Gas Oven Range Igniter |
| 20 | 5304519024 Frigidaire Oven Baffle |
| 21 | 5303013272 Frigidaire Oven Nut |
| 22 | 5304507768 Frigidaire Oven Tube |
| 23 | WCI 316404300 |
| 24 | 5304516894 Frigidaire Oven Elbow |
| 25 | WCI 316401301 |
| 26 | BAKE IGNITOR |
| 37 | 316240600 Frigidaire Igniter Mounting Screw |
| 44 | 316527500 Frigidaire Oven Burner Orifice |
| 47 | GRLP3 Frigidaire Oven LP Conversion Kit |