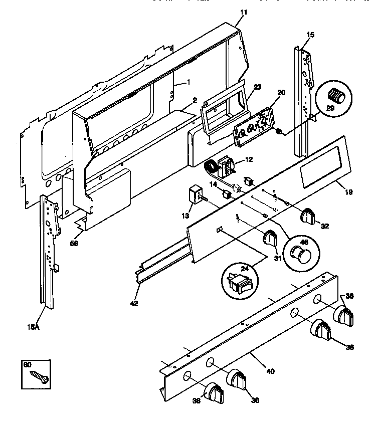
TGF353BCDA 02 – BACKGUARDadmin2025-04-26T11:57:16+00:00TGF353BCDA 02 – BACKGUARD ProductsPositionProduct*48160WCI 5303281584*48161WCI 3160014441SHIELD-BACKGUARD, REAR WALL2WCI 31605160111WCI 31606184612WCI 31602860013WCI 31607330014316022500 Frigidaire Oven Warmer Drawer Zone Indicator Light Lamp15WCI 31602311015WCI 31602311119WCI 31608260220WCI 31601740823WCI 316079001245304527841 Frigidaire Oven Rocker Switch (Black)29WCI 31602900031WCI 31608723732WCI 31608723836WCI 31602302340WCI 31608681142WCI 31608330046318228310 Frigidaire Oven Lens56WCI 31607490260316021105 Frigidaire Oven Screw