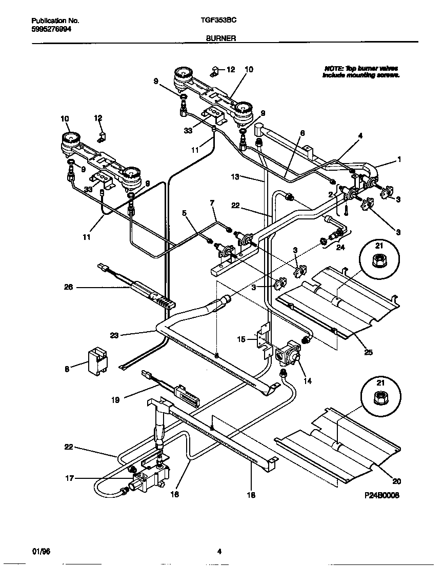
TGF353BCWB 03 – BURNER