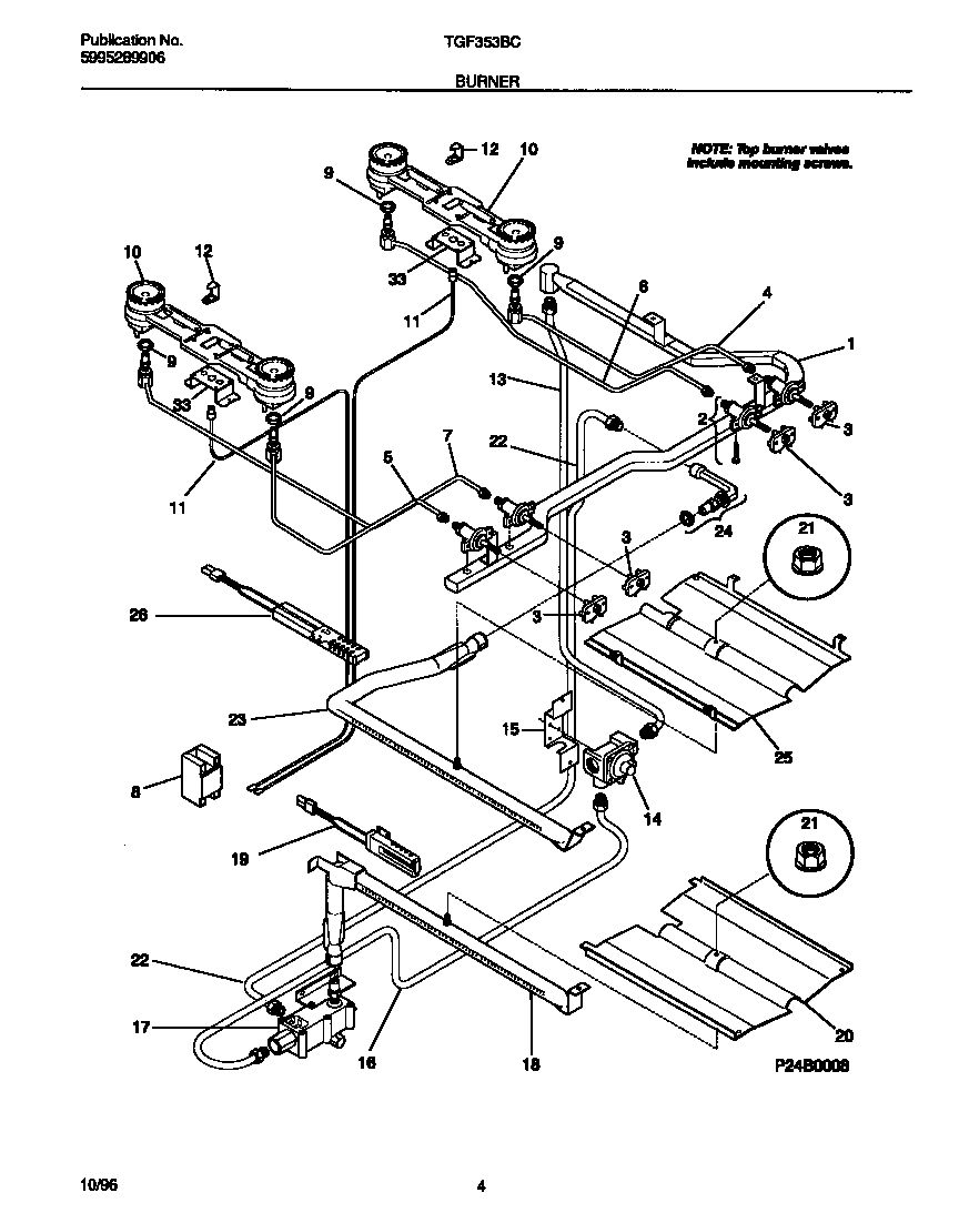
TGF353BCWD 03 – BURNER