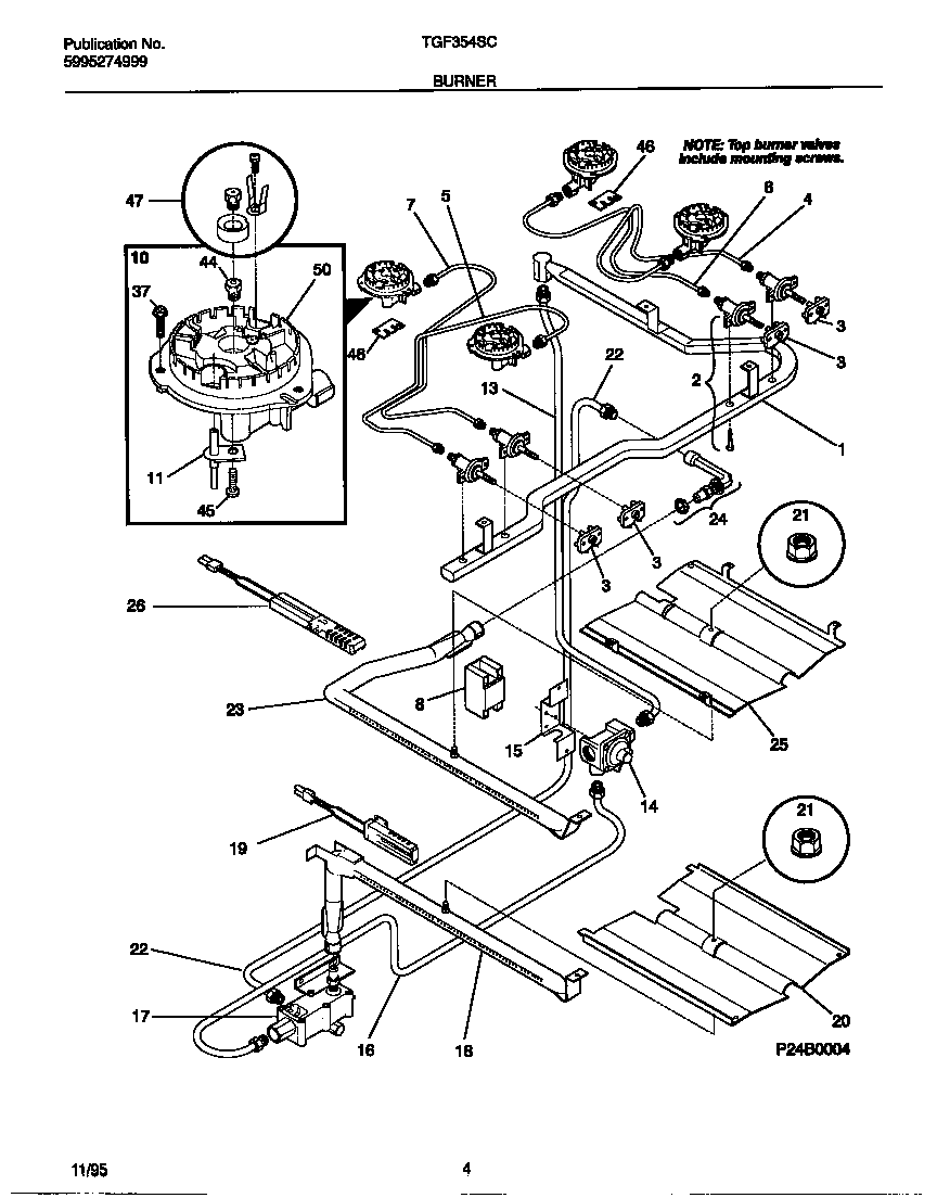
TGF354SCDB 03 – BURNER