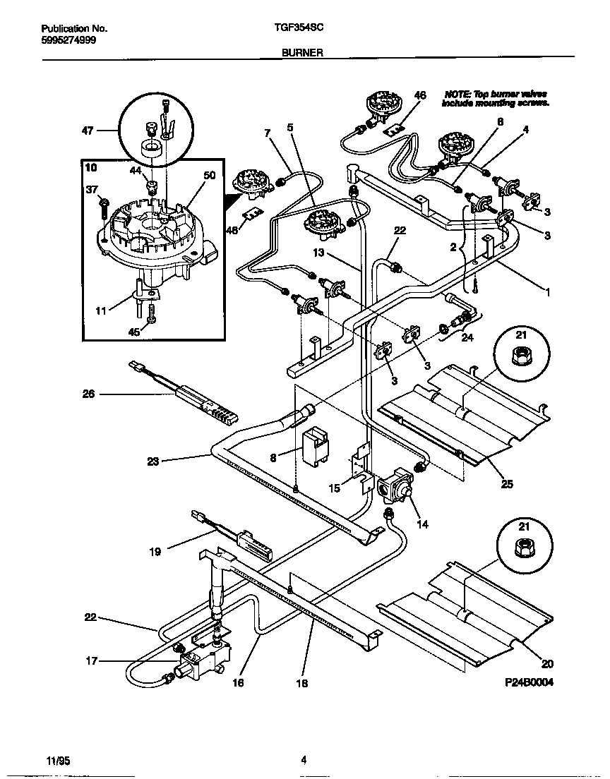
TGF354SCWB 03 – BURNER