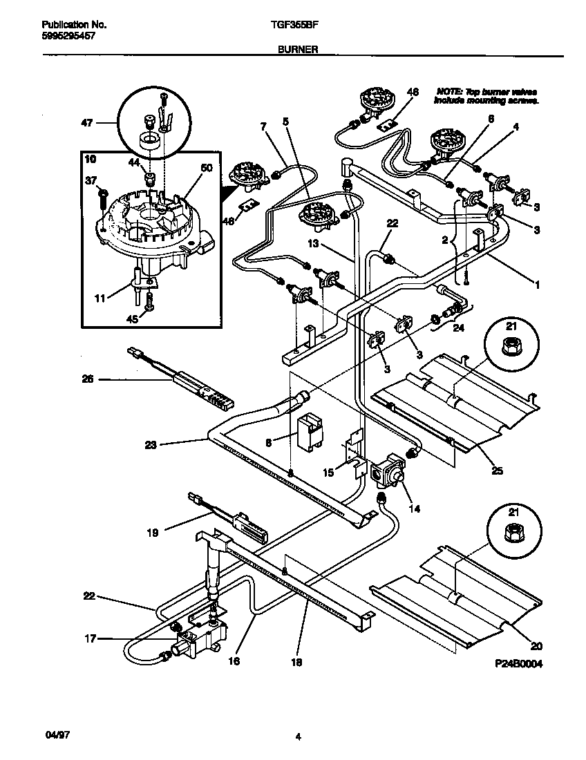
TGF355BFDA 03 – BURNER