| *87370 | SCREW, CR PAN HD SEMS, 8-32BP X 1.00 |
| *87369 | WCI 316065301 |
| *87374 | 131243700 Frigidaire Screw |
| *87372 | WCI 5303280311 |
| *87371 | 5303271648 Frigidaire Oven Screw |
| *87373 | 5303285179 Frigidaire Oven Door Screw |
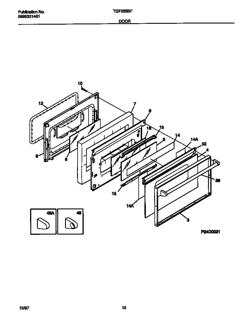
| 3 | WCI 316067802 |
| 4 | WCI 316089000 |
| 5 | WCI 316088700 |
| 6 | WCI 316088401 |
| 7 | WCI 316076403 |
| 8 | GLASS-OVEN DOOR, AIRWASH |
| 9 | WCI 316066610 |
| 10 | SCREW-HANDLE MTG, WAFER HEAD, 10-24 X 3.375 |
| 12 | 5303131601 Frigidaire Oven Seal |
| 14 | 5303208655 Frigidaire Reflector Assembly |
| 14 | REFLECTOR, ALUMINUM FOIL |
| 15 | WCI 316081401 |
| 16 | WCI 316085700 |
| 39B | 316008401 Frigidaire Washer P-1 |
| 39A | HANDLE-DOOR, OVEN |
| 49 | WCI 5303307192 |
| 49 | WCI 5303307193 |
| 52 | WCI 316081303 |