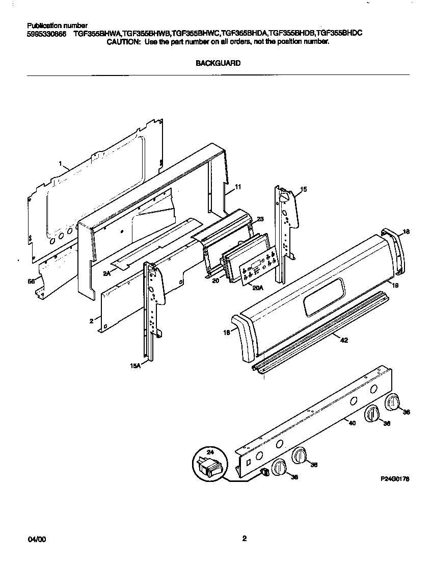
TGF355BHDA 02 – BACKGUARDadmin2025-04-26T08:59:32+00:00TGF355BHDA 02 – BACKGUARD
Products
| Position | Product |
|---|
| *63326 | 316021105 Frigidaire Oven Screw |
| *63322 | 316021109 Frigidaire Oven Screw |
| *63321 | Screw,cup pt ,8-18 x 0.375 ,chrome |
| *63325 | WCI 316101527 |
| *63320 | WIRING HARNESS,BACKGUARD |
| *63324 | 316112500 Frigidaire Oven Template |
| 1 | SHIELD-BACKGUARD, REAR WALL |
| 11 | Trim-wrapper,black ,textured |
| 15 | WCI 316023108 |
| 15 | WCI 316023109 |
| 18 | WCI 316115205 |
| 18 | WCI 316115204 |
| 20 | WCI 316101000 |
| 23 | WCI 316115101 |
| 24 | SWITCH-ROCKER, OVEN LIGHT, BLACK, RH |
| 36 | KNOB-TOP VALVE,BLACK |
| 53 | WCI 316055202 |
| 56 | WCI 316074907 |